• お買い物ガイド
  • いまちゃすの理念
  • お見積り方法
  • 利用規約
  • プライバシーポリシー
  • 特定商取引法に基づく表記
  • お問い合わせ

いまちゃす/商品一覧ページ

マイページ
  • ログイン
  • 会員登録
  • お買い物ガイド
  • お問い合わせ
  • マイページ
いまちゃすってなぁに? 創業100年以上の理化学屋が運営しています! 詳しくはこちら

合計数量:0

商品金額:0円

カートの中を見る
メーカー一覧
  • ログイン
  • 新規会員登録
  • Twitter
カテゴリ一覧
  • 研究用総合機器
    • 実験室用備品
    • 計測
    • 研究室設備
    • 容器・計量器
    • 分析・検査
    • 実験用素材
    • 配管材
    • 実験用小物
    • 洗浄・滅菌・清掃
    • 安全保護用品
    • 開発・試作支援
    • 防災用品
    • 書籍(洋書)
  • クリーン・静電気対策
    • クリーン対策用品
    • クリーン環境機器
    • クリーン環境設備
    • 静電気対策品
    • ウェハーキャリア・トレー
    • プラズマ装置
  • 工具・作業用品
    • 作業用品・工具
    • 生産加工用品
    • 工事用品
    • 環境安全用品
    • 物流保管用品
    • 切削工具
    • 農業関連用品
  • 看護・医療・介護
    • ウェア・シューズ・グッズ
    • 薬局・与薬
    • 感染予防・個人防護具
    • ファニチャー・収納・什器
    • 営繕
    • 病室・居室備品
    • 診察・処置用品
    • 健診・検査用品
    • 診療科目別用品
    • 運搬・搬送用品
    • 手術室・中央材料室
    • 滅菌・消毒・洗浄
    • 鋼製器具
    • 医療材料
    • 衛生材料
    • 介護用品
    • 美容・健康・癒し
  • 食品事業用衛生管理
    • シャーレ・ディッシュ
    • 食品用 微生物検査
    • はかり・タイマー・温湿度計・濃度計
    • 手袋・腕カバー
    • マスク(食品衛生用)
    • 長靴・シューズ・シューズカバー
    • ユニフォーム類
    • 洗浄・殺菌・清掃
    • 異物混入対策
    • 防虫防鼠
    • 書籍
    • 飲食店・厨房用品
  • 文具・オフィス用品
    • LABungu(ラブング)
    • ノート・紙製品
    • ファイル・ケース・クリアーホルダー
    • 筆記具・修正用品
    • 事務機器
    • 文具・事務用品
    • 店舗用品
    • OA・パソコン用品
    • カメラ用品
    • オフィス作業用品
    • オフィス生活用品
    • 家具・家電製品
    • ウエア
  • 防災用品
    • 耐震・免震
    • 飛散防止
    • 蓄光・蛍光製品
    • 防災セット
    • 保護具・ウェア
    • 救急・救助用品
    • 長期保存食
    • 防災用衛生用品
    • 備蓄トイレ用品
    • ラジオ・ライト・笛
    • 避難所用品・毛布類
    • 電源・発電機
    • 水害対策
    • 火災対策
    • 防犯用品
  • 教育・教材
    • ユニフォーム
    • 季節・行事
    • スポーツ用品
    • 雑貨
    • 学童文具
    • 運動会・発表会・イベント
    • 知育玩具
    • 図工・美術・画材
    • 理科教材・備品

ゴールデンウィーク期間中の営業について

■ゴールデンウィーク期間中の営業について
2026年4月29日(水)~5月6日(水) 休業
※5月7日(木)から通常営業を再開いたします。

※上記期間中もインターネット経由でのお問い合わせは受け付けておりますが、
2026年5月7日(木)以降の対応とさせていただきます。あらかじめご了承ください。

300件の商品がございます。
標準 価格昇順 価格降順
全ての商品 在庫あり商品
1 2 3 4 次へ>>
電気用はんだこて 80W相当

太洋電機産業(goot)

電気用はんだこて 80W相当

●電子工作用はんだこて ●軽量グリップ ●長時間でも疲れにくい
●全長(mm):235 ●電源(V):AC100 ●付属コテ先:RD-67BC ●最高温度(℃):515 ●コード:1.5m ●消費電力(W):57 ●質量(g):70
品番
61-4485-16
販売価格(税込)
1,531円
出荷予定日
通常7営業日 メーカーの事情により発送日が遅れる場合がございます。
詳細を見る
数量:
電気用はんだこて 60W相当

太洋電機産業(goot)

電気用はんだこて 60W相当

●電子工作用はんだこて ●軽量グリップ ●長時間でも疲れにくい
●最高温度(℃):540 ●電源(V):AC100 ●消費電力(W):55 ●付属コテ先:R-6BC ●全長(mm):230 ●質量(g):65
品番
61-4485-14
販売価格(税込)
1,293円
出荷予定日
通常5営業日 メーカーの事情により発送日が遅れる場合がございます。
詳細を見る
数量:
電気用はんだこて 40W

太洋電機産業(goot)

電気用はんだこて 40W

●電子工作用はんだこて ●軽量グリップ ●長時間でも疲れにくい
●最高温度(℃):515 ●電源(V):AC100 ●消費電力(W):40 ●付属コテ先:R-48BC ●全長(mm):205 ●質量(g):45
品番
61-4485-12
販売価格(税込)
1,120円
出荷予定日
通常7営業日 メーカーの事情により発送日が遅れる場合がございます。
詳細を見る
数量:
電気用はんだこて 30W

太洋電機産業(goot)

電気用はんだこて 30W

●電子工作用はんだこて ●軽量グリップ ●長時間でも疲れにくい
●最高温度(℃):480 ●電源(V):AC100 ●消費電力(W):30 ●付属コテ先:R-48B ●全長(mm):205 ●質量(g):45
品番
61-4485-10
販売価格(税込)
1,120円
出荷予定日
通常7営業日 メーカーの事情により発送日が遅れる場合がございます。
詳細を見る
数量:
電気用はんだこて 20W 相当

太洋電機産業(goot)

電気用はんだこて 20W 相当

●電子工作用はんだこて ●軽量グリップ ●長時間でも疲れにくい
●全長(mm):205 ●電源(V):AC100 ●付属コテ先:R-48SB ●最高温度(℃):435 ●コード:1.5m ●消費電力(W):23 ●質量(g):45
品番
61-4485-08
販売価格(税込)
1,120円
出荷予定日
通常7営業日 メーカーの事情により発送日が遅れる場合がございます。
詳細を見る
数量:
電気用はんだこて 100W相当

太洋電機産業(goot)

電気用はんだこて 100W相当

●電子工作用はんだこて ●軽量グリップ ●長時間でも疲れにくい
●全長(mm):240 ●電源(V):AC100 ●付属コテ先:RD-68BC ●最高温度(℃):525 ●コード:1.5m ●消費電力(W):59 ●質量(g):75
品番
61-4485-06
販売価格(税込)
1,627円
出荷予定日
通常7営業日 メーカーの事情により発送日が遅れる場合がございます。
詳細を見る
数量:
逆作用ピンセット 先細 小

太洋電機産業(goot)

逆作用ピンセット 先細 小

●バネ作用で部品をつかむ自閉型です。 ●はんだ付け作業時の部品保持に適しています。 ●プリント基板のはんだ付けや部品交換等の組立作業に。
●全長(mm):120 ●幅(mm):9 ●先端形状:先細型 ●逆作用ピンセットは通常のピンセットとは逆に手で握ると先端が開き、手を離すと先端が閉じる動きをします。 ●はんだ付け作業時に部品や基板を挟むことで、手で部品を押さえる必要がなくなり、はんだ付け作業を大きくサポートしてくれます。 ●材質/仕上:ステンレス ●原産国:インド ●コード番号:468-7558
品番
62-3582-93
販売価格(税込)
496円
出荷予定日
16時までの注文で当日発送
(休業日は翌営業日発送)
通常3営業日 メーカーの事情により発送日が遅れる場合がございます。
詳細を見る
数量:
ホットボンド 14W

太洋電機産業(goot)

ホットボンド 14W

●ホットボンドガン ●ホビーから業務用まで ●室内装飾・ラッピング ●段ボールなどの梱包作業 ●製本/靴/カバンの補修・接着 ●すき間のコーティング ●プリント基板用のリード線接着、電子部品の固定などのアッセンブリ作業
●設定温度(℃):160 ●電源(V):AC100 ●消費電力(W):14 ●コード:1.5m ●質量(g):0.22
品番
61-4486-64
販売価格(税込)
2,919円
出荷予定日
通常5営業日 メーカーの事情により発送日が遅れる場合がございます。
詳細を見る
数量:
Tipリフレッサー 9g

太洋電機産業(goot)

Tipリフレッサー 9g

●こて先のリフレッサー
●容量(g):9 ●質量(g):9
品番
61-4487-44
販売価格(税込)
1,053円
出荷予定日
通常7営業日 メーカーの事情により発送日が遅れる場合がございます。
詳細を見る
数量:
ケーブルストリッパー

太洋電機産業(goot)

ケーブルストリッパー

●簡単で正確に被覆のカットができます。 ●被覆の厚さに合わせて刃の長さを調節可能です。 ●スペアの刃先が内蔵されています。 ●刃部が表面に出ていない安全設計です。 ●刃先はカットする方向に自動的に回転します。 ●丸型ケーブル専用
●適合電線:丸型ケーブル ●全長(mm):140 ●適合電線(mm):8~28(外径) ●適合ケーブルサイズ(mm2):Φ8-28 ●適合替刃:YS-100HA ●楕円ケーブルには使用できません。 ●原産国:イタリア ●コード番号:468-7655
品番
63-9658-54
販売価格(税込)
2,429円
出荷予定日
通常5営業日 メーカーの事情により発送日が遅れる場合がございます。
詳細を見る
数量:
精密ニッパー静電対策φ1.3

太洋電機産業(goot)

精密ニッパー静電対策φ1.3

●切断面は水平な状態でカットされていますので、精密部品のリード線、カッティング作業時に部品本体への衝撃が加わる心配がありません。 ●指先だけの圧力で簡単にカットできる特殊構造です。
●全長(mm):140 ●切断能力(mm)アルミ線:× ●切断能力(mm)ABS樹脂:× ●切断能力(mm)プラスチック:× ●切断能力(mm)硬線:× ●切断能力(mm)樹脂:× ●切断能力(mm)中硬線:× ●切断能力(mm)鉄線:× ●切断能力(mm)銅線:φ1.3 ●切断能力(mm)軟線:× ●フラット刃 ●ばね付 ●飛散防止クリップ付 ●材質/仕上:高炭素鋼、グリップ/塩化ビニール ●銅線以外の切断には使用しないで下さい。 ●原産国:イタリア ●コード番号:788-7299
品番
62-2641-08
販売価格(税込)
3,643円
出荷予定日
通常5営業日 メーカーの事情により発送日が遅れる場合がございます。
詳細を見る
数量:
N2ステーション

太洋電機産業(goot)

N2ステーション

●窒素ガス(N2)の生成とコントロール ●窒素発生器とコントローラーを一体化したコンパクトな窒素ステーション
●幅(mm):118 ●奥行(mm):185 ●高さ(mm):112 ●入力空気圧(MPa):0.3~0.7 ●入力空気温度(℃):5~50 ●最高使用温度(℃):60 ●質量(kg):2
品番
61-4484-80
販売価格(税込)
159,339円
出荷予定日
通常5営業日 メーカーの事情により発送日が遅れる場合がございます。
詳細を見る
数量:
WS-11/12用リストバンド

太洋電機産業(goot)

WS-11/12用リストバンド

●内容:WS-11/12用リストバンド・概要1:適応機種:WS-11/WS-12
品番
64-6212-17
販売価格(税込)
708円
出荷予定日
通常99営業日 メーカーの事情により発送日が遅れる場合がございます。
詳細を見る
数量:
替こて先φ6BC型KS-60R用

太洋電機産業(goot)

替こて先φ6BC型KS-60R用

●全長(mm):80 ●適合コテ:KS-60R ●原産国:日本 ●コード番号:364-2267
品番
61-2186-13
販売価格(税込)
427円
出荷予定日
通常5営業日 メーカーの事情により発送日が遅れる場合がございます。
詳細を見る
数量:
替こて先φ4BC型KS20~40R用

太洋電機産業(goot)

替こて先φ4BC型KS20~40R用

●全長(mm):75 ●適合コテ:KS-30R/KS-40R ●直径(mm):φ4 ●KS30~40R用替えこて先 ●原産国:日本 ●コード番号:364-2259
品番
61-2186-12
販売価格(税込)
374円
出荷予定日
通常5営業日 メーカーの事情により発送日が遅れる場合がございます。
詳細を見る
数量:
替こて先φ4B型KS20~40R用

太洋電機産業(goot)

替こて先φ4B型KS20~40R用

●全長(mm):75 ●適合コテ:KS-30R/KS-40R ●直径(mm):φ4 ●KS30~40R用替えこて先 ●原産国:日本 ●コード番号:364-2241
品番
61-2186-11
販売価格(税込)
320円
出荷予定日
通常5営業日 メーカーの事情により発送日が遅れる場合がございます。
詳細を見る
数量:
ホビー用ペースト 50g

太洋電機産業(goot)

ホビー用ペースト 50g

●はんだ付け促進剤 ●ホビーや電子工作に最適
●容量(g):50 ●質量(g):50
品番
61-4487-43
販売価格(税込)
749円
出荷予定日
通常8営業日 メーカーの事情により発送日が遅れる場合がございます。
詳細を見る
数量:
ホビー用ペースト 10g

太洋電機産業(goot)

ホビー用ペースト 10g

●はんだ付け促進剤 ●ホビーや電子工作に最適
●容量(g):10 ●質量(g):10
品番
61-4487-42
販売価格(税込)
243円
出荷予定日
通常7営業日 メーカーの事情により発送日が遅れる場合がございます。
詳細を見る
数量:
はんだ付けセット(ステンレス用)

太洋電機産業(goot)

はんだ付けセット(ステンレス用)

●ステンレスのはんだ付け
●容量(ml):25
品番
61-4487-52
販売価格(税込)
1,101円
出荷予定日
16時までの注文で当日発送
(休業日は翌営業日発送)
通常3営業日 メーカーの事情により発送日が遅れる場合がございます。
詳細を見る
数量:
ヒートクリップ

太洋電機産業(goot)

ヒートクリップ

●はんだこての熱から部品を守ります。 ●放熱用クリップL型・S型2本セット。 ●はんだこての熱から部品を守る放熱用クリップです。 ●L型は狭いところでの使用に最適です。
●重量:10g
品番
62-4022-66
販売価格(税込)
276円
出荷予定日
16時までの注文で当日発送
(休業日は翌営業日発送)
通常3営業日 メーカーの事情により発送日が遅れる場合がございます。
詳細を見る
数量:
角型はんだ槽 ステンレス 100V 650W

太洋電機産業(goot)

角型はんだ槽 ステンレス 100V 650W

●消費電力:720W ●制御温度:400℃ ●備考: ●RoHS対応
品番
64-6211-19
販売価格(税込)
292,468円
出荷予定日
通常99営業日 メーカーの事情により発送日が遅れる場合がございます。
詳細を見る
数量:
ソルダーポット

太洋電機産業(goot)

ソルダーポット

●侵食に強い鋳鉄ツボです。 ●ボリュームで自由に温度設定ができますので適した状態で作業が可能です。 ●ヒーター通電時のLEDランプが点灯します。 ●リード線の予備はんだに。
●電源(V):AC100 ●消費電力(W):130 ●本体寸法(mm)幅:90 ●本体寸法(mm)奥行:150 ●本体寸法(mm)高さ:89 ●槽寸法(mm)幅:34 ●槽寸法(mm)奥行:34 ●槽寸法(mm)高さ:32 ●鉛フリーはんだ対応:〇 ●溶解はんだ量(kg):0.3 ●制御温度(℃):270~530 ●電源コード長さ(m):1.3 ●槽寸法(mm)幅×奥行×高さ:34×34×32 ●はんだ槽:鋳鉄 ●溶解はんだ量:0.3kg ●制御温度:270~530℃ ●電源コード長さ:1.3m ●材質/仕上:はんだツボ/鋳鉄 ●原産国:日本 ●コード番号:407-2561
品番
61-2190-06
販売価格(税込)
16,806円
出荷予定日
16時までの注文で当日発送
(休業日は翌営業日発送)
通常3営業日 メーカーの事情により発送日が遅れる場合がございます。
詳細を見る
数量:
表面抵抗計

太洋電機産業(goot)

表面抵抗計

●定格電圧:9V(006P乾電池) ●測定範囲:1000~1000000000000Ω/sq(表面低効率)、 1000~1000000000000Ω(表面一接地抵抗/2点間抵抗) ●精度:±10% ●電池寿命:約40時間(連続使用) ●サイズ:61×26×96mm ●重量:70g(電池除く) ●付属品:接地線 2本 ●床、作業台、導電性素材や帯電防止素材の表面抵抗率(Ω/sq)、表面から接地までの抵抗値(Ω)、2点間表面抵抗値(Ω)が測定できます。 ●9V(006P)乾電池使用のコンパクトサイズです。 ●ボタンを押すだけの簡単測定です。測定結果は3色LEDですばやく視認できます。
品番
64-6212-05
販売価格(税込)
109,901円
出荷予定日
通常99営業日 メーカーの事情により発送日が遅れる場合がございます。
詳細を見る
数量:
角形はんだ槽(鉛フリー対応)

太洋電機産業(goot)

角形はんだ槽(鉛フリー対応)

●PID制御によりはんだ量の変化、周囲温度の変化等の外乱や温度設定の変更に関わらず、測定温度は素早く設定温度に近づき、最終的にほとんど偏差を生じません。 ●設定温度と測定温度が同時にわかるデジタル表示です。 ●侵食に強い鋳鉄製はんだ槽を採用しています。
●電源(V):AC100 ●消費電力(W):1300 ●本体寸法(mm)幅:450 ●本体寸法(mm)奥行:220 ●本体寸法(mm)高さ:124 ●槽寸法(mm)幅:173 ●槽寸法(mm)奥行:108 ●槽寸法(mm)高さ:53 ●鉛フリーはんだ対応:〇 ●槽寸法(mm)幅×奥行×高さ:173×108×53 ●鉛フリーはんだ対応 ●電源コード長さ:1.5m(3芯コードプラグなし) ●材質/仕上:はんだ槽/鋳鉄 ●原産国:日本 ●コード番号:112-9958
品番
63-9550-73
販売価格(税込)
295,737円
出荷予定日
通常99営業日 メーカーの事情により発送日が遅れる場合がございます。
詳細を見る
数量:
はんだ吸取線 3.5mmx2m

太洋電機産業(goot)

はんだ吸取線 3.5mmx2m

●はんだ吸取り線
●幅(mm):3.5 ●長さ(m):2.0 ●質量(g):27
品番
61-4485-93
販売価格(税込)
678円
出荷予定日
通常7営業日 メーカーの事情により発送日が遅れる場合がございます。
詳細を見る
数量:
はんだ吸取線 3.5mmx15m

太洋電機産業(goot)

はんだ吸取線 3.5mmx15m

●はんだ吸取り線
●幅(mm):3.5 ●長さ(m):15 ●質量(g):137
品番
61-4485-92
販売価格(税込)
3,744円
出荷予定日
通常7営業日 メーカーの事情により発送日が遅れる場合がございます。
詳細を見る
数量:
はんだ吸取線 3.5mmx1.5m

太洋電機産業(goot)

はんだ吸取線 3.5mmx1.5m

●はんだ吸取り線
●幅(mm):3.5 ●長さ(m):1.5 ●質量(g):15
品番
61-4485-90
販売価格(税込)
344円
出荷予定日
通常7営業日 メーカーの事情により発送日が遅れる場合がございます。
詳細を見る
数量:
はんだ吸取線 3.0mmx2m

太洋電機産業(goot)

はんだ吸取線 3.0mmx2m

●はんだ吸取り線
●幅(mm):3.0 ●長さ(m):2.0 ●質量(g):19
品番
61-4485-89
販売価格(税込)
638円
出荷予定日
通常7営業日 メーカーの事情により発送日が遅れる場合がございます。
詳細を見る
数量:
はんだ吸取線 3.0mmx20m

太洋電機産業(goot)

はんだ吸取線 3.0mmx20m

●はんだ吸取り線
●幅(mm):3.0 ●長さ(m):20 ●質量(g):108
品番
61-4485-88
販売価格(税込)
3,744円
出荷予定日
通常5営業日 メーカーの事情により発送日が遅れる場合がございます。
詳細を見る
数量:
はんだ吸取線 3.0mmx1.5m

太洋電機産業(goot)

はんだ吸取線 3.0mmx1.5m

●はんだ吸取り線
●幅(mm):3.0 ●長さ(m):1.5 ●質量(g):10
品番
61-4485-86
販売価格(税込)
284円
出荷予定日
通常5営業日 メーカーの事情により発送日が遅れる場合がございます。
詳細を見る
数量:
はんだ吸取線 2.5mmx2m

太洋電機産業(goot)

はんだ吸取線 2.5mmx2m

●はんだ吸取り線
●幅(mm):2.5 ●長さ(m):2.0 ●質量(g):22
品番
61-4485-85
販売価格(税込)
638円
出荷予定日
通常5営業日 メーカーの事情により発送日が遅れる場合がございます。
詳細を見る
数量:
はんだ吸取線 2.5mmx20m

太洋電機産業(goot)

はんだ吸取線 2.5mmx20m

●はんだ吸取り線
●幅(mm):2.5 ●長さ(m):20 ●質量(g):120
品番
61-4485-84
販売価格(税込)
3,744円
出荷予定日
通常5営業日 メーカーの事情により発送日が遅れる場合がございます。
詳細を見る
数量:
はんだ吸取線 2.5mmx1.5m

太洋電機産業(goot)

はんだ吸取線 2.5mmx1.5m

●はんだ吸取り線
●幅(mm):2.5 ●長さ(m):1.5 ●質量(g):11
品番
61-4485-82
販売価格(税込)
284円
出荷予定日
通常7営業日 メーカーの事情により発送日が遅れる場合がございます。
詳細を見る
数量:
はんだ吸取線 2.0mmx2m

太洋電機産業(goot)

はんだ吸取線 2.0mmx2m

●はんだ吸取り線
●幅(mm):2.0 ●長さ(m):2.0 ●質量(g):17
品番
61-4485-81
販売価格(税込)
638円
出荷予定日
通常8営業日 メーカーの事情により発送日が遅れる場合がございます。
詳細を見る
数量:
はんだ吸取線 2.0mmx30m

太洋電機産業(goot)

はんだ吸取線 2.0mmx30m

●はんだ吸取り線
●幅(mm):1.5 ●長さ(m):30 ●質量(g):108
品番
61-4485-80
販売価格(税込)
3,744円
出荷予定日
通常7営業日 メーカーの事情により発送日が遅れる場合がございます。
詳細を見る
数量:
はんだ吸取線 2.0mmx1.5m

太洋電機産業(goot)

はんだ吸取線 2.0mmx1.5m

●はんだ吸取り線
●幅(mm):2.0 ●長さ(m):1.5 ●質量(g):7
品番
61-4485-78
販売価格(税込)
284円
出荷予定日
通常7営業日 メーカーの事情により発送日が遅れる場合がございます。
詳細を見る
数量:
はんだ吸取線 1.5mmx2m

太洋電機産業(goot)

はんだ吸取線 1.5mmx2m

●はんだ吸取り線
●幅(mm):1.5 ●長さ(m):2.0 ●質量(g):18
品番
61-4485-77
販売価格(税込)
638円
出荷予定日
通常5営業日 メーカーの事情により発送日が遅れる場合がございます。
詳細を見る
数量:
はんだ吸取線 1.5mmx30m

太洋電機産業(goot)

はんだ吸取線 1.5mmx30m

●はんだ吸取り線
●幅(mm):1.5 ●長さ(m):30 ●質量(g):108
品番
61-4485-76
販売価格(税込)
3,744円
出荷予定日
通常5営業日 メーカーの事情により発送日が遅れる場合がございます。
詳細を見る
数量:
はんだ吸取線 1.5mmx1.5m

太洋電機産業(goot)

はんだ吸取線 1.5mmx1.5m

●はんだ吸取り線
●幅(mm):1.5 ●長さ(m):1.5 ●質量(g):8
品番
61-4485-74
販売価格(税込)
284円
出荷予定日
通常5営業日 メーカーの事情により発送日が遅れる場合がございます。
詳細を見る
数量:
10個入 吸取線 3.5mm幅

太洋電機産業(goot)

10個入 吸取線 3.5mm幅

●はんだ吸取り線
●幅(mm):3.5 ●長さ(m):1.5 ●質量(g):150
品番
61-4485-91
販売価格(税込)
3,340円
出荷予定日
通常5営業日 メーカーの事情により発送日が遅れる場合がございます。
詳細を見る
数量:
10個入 吸取線 3.0mm幅

太洋電機産業(goot)

10個入 吸取線 3.0mm幅

●はんだ吸取り線
●幅(mm):3.0 ●長さ(m):1.5 ●質量(g):100
品番
61-4485-87
販売価格(税込)
2,732円
出荷予定日
通常7営業日 メーカーの事情により発送日が遅れる場合がございます。
詳細を見る
数量:
10個入 吸取線 2.5mm幅

太洋電機産業(goot)

10個入 吸取線 2.5mm幅

●はんだ吸取り線
●幅(mm):2.5 ●長さ(m):1.5 ●質量(g):110
品番
61-4485-83
販売価格(税込)
2,732円
出荷予定日
通常7営業日 メーカーの事情により発送日が遅れる場合がございます。
詳細を見る
数量:
10個入 吸取線 2.0mm幅

太洋電機産業(goot)

10個入 吸取線 2.0mm幅

●はんだ吸取り線
●幅(mm):2.0 ●長さ(m):1.5 ●質量(g):70
品番
61-4485-79
販売価格(税込)
2,732円
出荷予定日
通常7営業日 メーカーの事情により発送日が遅れる場合がございます。
詳細を見る
数量:
10個入 吸取線 1.5mm幅

太洋電機産業(goot)

10個入 吸取線 1.5mm幅

●はんだ吸取り線
●幅(mm):1.5 ●長さ(m):1.5 ●質量(g):80
品番
61-4485-75
販売価格(税込)
2,732円
出荷予定日
通常5営業日 メーカーの事情により発送日が遅れる場合がございます。
詳細を見る
数量:
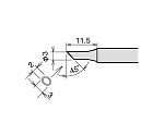
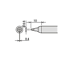
替こて先 SB型 RX802/852AS用

太洋電機産業(goot)

替こて先 SB型 RX802/852AS用

●RX802/852AS用替えこて先
●こて先幅(mm):R0.15 ●質量(g):7
品番
61-4484-55
販売価格(税込)
1,619円
出荷予定日
通常7営業日 メーカーの事情により発送日が遅れる場合がございます。
詳細を見る
数量:
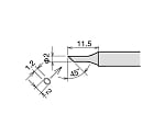
替こて先 LB型 先端曲 RX802/852AS用 8.3g

太洋電機産業(goot)

替こて先 LB型 先端曲 RX802/852AS用 8.3g

●RX802/852AS用替えこて先
●こて先幅(mm):R0.3 ●質量(g):8.3
品番
61-4484-53
販売価格(税込)
2,935円
出荷予定日
通常7営業日 メーカーの事情により発送日が遅れる場合がございます。
詳細を見る
数量:
替こて先5.4D型 RX802/852AS用

太洋電機産業(goot)

替こて先5.4D型 RX802/852AS用

●RX802/852AS用替えこて先
●こて先幅(mm):5.4 ●質量(g):8.3
品番
61-4484-49
販売価格(税込)
2,530円
出荷予定日
通常7営業日 メーカーの事情により発送日が遅れる場合がございます。
詳細を見る
数量:
替こて先4C型 RX802/852AS用

太洋電機産業(goot)

替こて先4C型 RX802/852AS用

●RX802/852AS用替えこて先
●こて先径(mm):φ4 ●質量(g):8.3
品番
61-4484-48
販売価格(税込)
2,530円
出荷予定日
通常7営業日 メーカーの事情により発送日が遅れる場合がございます。
詳細を見る
数量:
替こて先4.7C型 RX802/852AS用

太洋電機産業(goot)

替こて先4.7C型 RX802/852AS用

●RX802/852AS用替えこて先
●こて先径(mm):φ4.7 ●質量(g):8.3
品番
61-4484-47
販売価格(税込)
2,530円
出荷予定日
通常7営業日 メーカーの事情により発送日が遅れる場合がございます。
詳細を見る
数量:
替こて先4.5KH型 RX802/852AS用

太洋電機産業(goot)

替こて先4.5KH型 RX802/852AS用

●RX802/852AS用替えこて先
●こて先幅(mm):4.5 ●質量(g):8.3
品番
61-4484-46
販売価格(税込)
2,935円
出荷予定日
通常7営業日 メーカーの事情により発送日が遅れる場合がございます。
詳細を見る
数量:
替こて先4.5K型 RX802/852AS用

太洋電機産業(goot)

替こて先4.5K型 RX802/852AS用

●RX802/852AS用替えこて先
●こて先幅(mm):4.5 ●質量(g):8.3
品番
61-4484-45
販売価格(税込)
2,935円
出荷予定日
通常7営業日 メーカーの事情により発送日が遅れる場合がございます。
詳細を見る
数量:
替こて先3K型 RX802/852AS用

太洋電機産業(goot)

替こて先3K型 RX802/852AS用

●RX802/852AS用替えこて先
●こて先幅(mm):3 ●質量(g):8.3
品番
61-4484-44
販売価格(税込)
2,935円
出荷予定日
通常7営業日 メーカーの事情により発送日が遅れる場合がございます。
詳細を見る
数量:
替こて先3C型 窪みRX802/852AS用

太洋電機産業(goot)

替こて先3C型 窪みRX802/852AS用

●RX802/852AS用替えこて先
●こて先径(mm):φ3 ●質量(g):8.3
品番
61-4484-43
販売価格(税込)
3,238円
出荷予定日
通常7営業日 メーカーの事情により発送日が遅れる場合がございます。
詳細を見る
数量:
替こて先3C型 RX802/852AS用

太洋電機産業(goot)

替こて先3C型 RX802/852AS用

●RX802/852AS用替えこて先
●こて先径(mm):φ3 ●質量(g):8.3
品番
61-4484-42
販売価格(税込)
2,530円
出荷予定日
通常7営業日 メーカーの事情により発送日が遅れる場合がございます。
詳細を見る
数量:
替こて先3BC型 RX802/852AS用

太洋電機産業(goot)

替こて先3BC型 RX802/852AS用

●RX802/852AS用替えこて先
●こて先幅(mm):3 ●質量(g):8.3
品番
61-4484-41
販売価格(税込)
2,530円
出荷予定日
通常7営業日 メーカーの事情により発送日が遅れる場合がございます。
詳細を見る
数量:
替こて先3.2D型 RX802/852AS用

太洋電機産業(goot)

替こて先3.2D型 RX802/852AS用

●RX802/852AS用替えこて先
●こて先幅(mm):3.2 ●質量(g):8.3
品番
61-4484-40
販売価格(税込)
2,530円
出荷予定日
通常7営業日 メーカーの事情により発送日が遅れる場合がございます。
詳細を見る
数量:
替こて先2C型 窪みRX802/852AS用

太洋電機産業(goot)

替こて先2C型 窪みRX802/852AS用

●RX802/852AS用替えこて先
●こて先径(mm):φ2 ●質量(g):8.3
品番
61-4484-39
販売価格(税込)
3,238円
出荷予定日
通常7営業日 メーカーの事情により発送日が遅れる場合がございます。
詳細を見る
数量:
替こて先2C型 RX802/852AS用

太洋電機産業(goot)

替こて先2C型 RX802/852AS用

●RX802/852AS用替えこて先
●こて先径(mm):φ2 ●質量(g):8.3
品番
61-4484-38
販売価格(税込)
2,530円
出荷予定日
通常7営業日 メーカーの事情により発送日が遅れる場合がございます。
詳細を見る
数量:
替こて先2.4D型 RX802/852AS用

太洋電機産業(goot)

替こて先2.4D型 RX802/852AS用

●RX802/852AS用替えこて先
●こて先幅(mm):2.4 ●質量(g):8.3
品番
61-4484-37
販売価格(税込)
2,530円
出荷予定日
通常7営業日 メーカーの事情により発送日が遅れる場合がございます。
詳細を見る
数量:
替こて先1C型 RX802/852AS用

太洋電機産業(goot)

替こて先1C型 RX802/852AS用

●RX802/852AS用替えこて先
●こて先径(mm):φ1 ●質量(g):8.3
品番
61-4484-36
販売価格(税込)
2,530円
出荷予定日
通常8営業日 メーカーの事情により発送日が遅れる場合がございます。
詳細を見る
数量:
替こて先1BC型 RX802/852AS用

太洋電機産業(goot)

替こて先1BC型 RX802/852AS用

●RX802/852AS用替えこて先
●こて先幅(mm):1 ●質量(g):8.3
品番
61-4484-35
販売価格(税込)
2,530円
出荷予定日
通常7営業日 メーカーの事情により発送日が遅れる場合がございます。
詳細を見る
数量:
替こて先1.6D型 RX802/852AS用

太洋電機産業(goot)

替こて先1.6D型 RX802/852AS用

●RX802/852AS用替えこて先
●こて先幅(mm):1.6 ●質量(g):8.3
品番
61-4484-34
販売価格(税込)
2,530円
出荷予定日
通常7営業日 メーカーの事情により発送日が遅れる場合がございます。
詳細を見る
数量:
替こて先1.2D型 RX802/852AS用

太洋電機産業(goot)

替こて先1.2D型 RX802/852AS用

●RX802/852AS用替えこて先
●こて先幅(mm):1.2 ●質量(g):8.3
品番
61-4484-33
販売価格(税込)
2,530円
出荷予定日
通常7営業日 メーカーの事情により発送日が遅れる場合がございます。
詳細を見る
数量:
RX-802ASPH用 交換こて先 0.8mm

太洋電機産業(goot)

RX-802ASPH用 交換こて先 0.8mm

●RX802/852AS用替えこて先
●コテ先名称:0.8mm ●質量(g):8.3
品番
61-4484-32
販売価格(税込)
2,530円
出荷予定日
通常7営業日 メーカーの事情により発送日が遅れる場合がございます。
詳細を見る
数量:
替こて先0.5C型 RX802/852AS用

太洋電機産業(goot)

替こて先0.5C型 RX802/852AS用

●RX802/852AS用替えこて先
●こて先幅(mm):0.5 ●質量(g):8.3
品番
61-4484-31
販売価格(税込)
2,530円
出荷予定日
通常7営業日 メーカーの事情により発送日が遅れる場合がございます。
詳細を見る
数量:
替こて先LB型 先端曲RX802/852AS用

太洋電機産業(goot)

替こて先LB型 先端曲RX802/852AS用

●RX802/852AS用替えこて先
●こて先幅(mm):R0.3 ●質量(g):7
品番
61-4484-30
販売価格(税込)
1,822円
出荷予定日
通常7営業日 メーカーの事情により発送日が遅れる場合がございます。
詳細を見る
数量:
替こて先LB型 RX802/852AS用

太洋電機産業(goot)

替こて先LB型 RX802/852AS用

●RX802/852AS用替えこて先
●こて先幅(mm):R0.3 ●質量(g):7
品番
61-4484-29
販売価格(税込)
1,619円
出荷予定日
通常7営業日 メーカーの事情により発送日が遅れる場合がございます。
詳細を見る
数量:
溝付替こて先 BM

太洋電機産業(goot)

溝付替こて先 BM

●RX802/852AS用替えこて先
●コテ先名称:R0.3mm ●質量(g):7
品番
61-4484-28
販売価格(税込)
1,619円
出荷予定日
通常7営業日 メーカーの事情により発送日が遅れる場合がございます。
詳細を見る
数量:
替こて先 B RX802/852AS用

太洋電機産業(goot)

替こて先 B RX802/852AS用

●RX802/852AS用替えこて先
●コテ先名称:R0.3mm ●質量(g):7
品番
61-4484-27
販売価格(税込)
1,619円
出荷予定日
通常7営業日 メーカーの事情により発送日が遅れる場合がございます。
詳細を見る
数量:
替こて先 5.5K型 RX802/852AS用

太洋電機産業(goot)

替こて先 5.5K型 RX802/852AS用

●RX802/852AS用替えこて先
●こて先幅(mm):5.5 ●質量(g):7
品番
61-4484-26
販売価格(税込)
2,024円
出荷予定日
通常7営業日 メーカーの事情により発送日が遅れる場合がございます。
詳細を見る
数量:
替こて先 5.4D

太洋電機産業(goot)

替こて先 5.4D

●RX802/852AS用替えこて先
●コテ先名称:W5.4mm ●質量(g):7
品番
61-4484-25
販売価格(税込)
1,619円
出荷予定日
通常7営業日 メーカーの事情により発送日が遅れる場合がございます。
詳細を見る
数量:
替こて先 4C型 RX802/852AS用 7g

太洋電機産業(goot)

替こて先 4C型 RX802/852AS用 7g

●RX802/852AS用替えこて先
●こて先径(mm):φ4 ●質量(g):7
品番
61-4484-24
販売価格(税込)
1,619円
出荷予定日
通常7営業日 メーカーの事情により発送日が遅れる場合がございます。
詳細を見る
数量:
替こて先 4.7C型 RX802/852AS用 7g

太洋電機産業(goot)

替こて先 4.7C型 RX802/852AS用 7g

●RX802/852AS用替えこて先
●こて先径(mm):φ4.7 ●質量(g):7
品番
61-4484-23
販売価格(税込)
1,619円
出荷予定日
通常7営業日 メーカーの事情により発送日が遅れる場合がございます。
詳細を見る
数量:
替こて先 4.5KH型 RX802/852AS用 7g

太洋電機産業(goot)

替こて先 4.5KH型 RX802/852AS用 7g

●RX802/852AS用替えこて先
●こて先幅(mm):4.5 ●質量(g):7
品番
61-4484-22
販売価格(税込)
2,024円
出荷予定日
通常7営業日 メーカーの事情により発送日が遅れる場合がございます。
詳細を見る
数量:
替こて先 4.5K

太洋電機産業(goot)

替こて先 4.5K

●RX802/852AS用替えこて先
●コテ先名称:ナイフ型 ●質量(g):7
品番
61-4484-21
販売価格(税込)
2,024円
出荷予定日
通常7営業日 メーカーの事情により発送日が遅れる場合がございます。
詳細を見る
数量:
替こて先 3K型 RX802/852AS用

太洋電機産業(goot)

替こて先 3K型 RX802/852AS用

●RX802/852AS用替えこて先
●こて先幅(mm):3 ●質量(g):7
品番
61-4484-20
販売価格(税込)
2,024円
出荷予定日
通常7営業日 メーカーの事情により発送日が遅れる場合がございます。
詳細を見る
数量:
替こて先 3C型 窪みRX802/852AS用

太洋電機産業(goot)

替こて先 3C型 窪みRX802/852AS用

●RX802/852AS用替えこて先
●こて先径(mm):φ3 ●質量(g):7
品番
61-4484-19
販売価格(税込)
2,024円
出荷予定日
通常7営業日 メーカーの事情により発送日が遅れる場合がございます。
詳細を見る
数量:
替こて先 3C型 RX802/852AS用

太洋電機産業(goot)

替こて先 3C型 RX802/852AS用

●RX802/852AS用替えこて先
●こて先径(mm):φ3 ●質量(g):7
品番
61-4484-18
販売価格(税込)
1,619円
出荷予定日
通常7営業日 メーカーの事情により発送日が遅れる場合がございます。
詳細を見る
数量:
替こて先 3BC型 RX802/852AS用

太洋電機産業(goot)

替こて先 3BC型 RX802/852AS用

●RX802/852AS用替えこて先
●こて先幅(mm):3 ●質量(g):7
品番
61-4484-17
販売価格(税込)
1,619円
出荷予定日
通常7営業日 メーカーの事情により発送日が遅れる場合がございます。
詳細を見る
数量:
替こて先 3.2D型 RX802/852AS用

太洋電機産業(goot)

替こて先 3.2D型 RX802/852AS用

●RX802/852AS用替えこて先
●こて先幅(mm):3.2 ●質量(g):7
品番
61-4484-16
販売価格(税込)
1,619円
出荷予定日
通常7営業日 メーカーの事情により発送日が遅れる場合がございます。
詳細を見る
数量:
替こて先 2C型 窪みRX802/852AS用

太洋電機産業(goot)

替こて先 2C型 窪みRX802/852AS用

●RX802/852AS用替えこて先
●こて先径(mm):φ2 ●質量(g):7
品番
61-4484-15
販売価格(税込)
2,024円
出荷予定日
通常7営業日 メーカーの事情により発送日が遅れる場合がございます。
詳細を見る
数量:
替こて先 2C型 RX802/852AS用

太洋電機産業(goot)

替こて先 2C型 RX802/852AS用

●RX802/852AS用替えこて先
●こて先径(mm):φ2 ●質量(g):7
品番
61-4484-14
販売価格(税込)
1,619円
出荷予定日
通常7営業日 メーカーの事情により発送日が遅れる場合がございます。
詳細を見る
数量:
替こて先 2B型 RX802/852AS用

太洋電機産業(goot)

替こて先 2B型 RX802/852AS用

●RX802/852AS用替えこて先
●こて先幅(mm):R0.6 ●質量(g):7
品番
61-4484-13
販売価格(税込)
1,619円
出荷予定日
通常7営業日 メーカーの事情により発送日が遅れる場合がございます。
詳細を見る
数量:
替こて先 2.4D型 RX802/852AS用

太洋電機産業(goot)

替こて先 2.4D型 RX802/852AS用

●RX802/852AS用替えこて先
●こて先幅(mm):2.4 ●質量(g):7
品番
61-4484-12
販売価格(税込)
1,619円
出荷予定日
通常5営業日 メーカーの事情により発送日が遅れる場合がございます。
詳細を見る
数量:
替こて先 1C型 RX802/852AS用

太洋電機産業(goot)

替こて先 1C型 RX802/852AS用

●RX802/852AS用替えこて先
●こて先径(mm):φ1 ●質量(g):7
品番
61-4484-11
販売価格(税込)
1,619円
出荷予定日
通常5営業日 メーカーの事情により発送日が遅れる場合がございます。
詳細を見る
数量:
替こて先 1BC型 RX802/852AS用

太洋電機産業(goot)

替こて先 1BC型 RX802/852AS用

●RX802/852AS用替えこて先
●こて先幅(mm):1 ●質量(g):7
品番
61-4484-10
販売価格(税込)
1,619円
出荷予定日
通常5営業日 メーカーの事情により発送日が遅れる場合がございます。
詳細を見る
数量:
替こて先 1.6D型 RX802/852AS用

太洋電機産業(goot)

替こて先 1.6D型 RX802/852AS用

●RX802/852AS用替えこて先
●こて先幅(mm):1.6 ●質量(g):7
品番
61-4484-09
販売価格(税込)
1,619円
出荷予定日
通常7営業日 メーカーの事情により発送日が遅れる場合がございます。
詳細を見る
数量:
替こて先 1.2D型 RX802/852AS用

太洋電機産業(goot)

替こて先 1.2D型 RX802/852AS用

●RX802/852AS用替えこて先
●こて先幅(mm):1.2 ●質量(g):7
品番
61-4484-08
販売価格(税込)
1,619円
出荷予定日
通常7営業日 メーカーの事情により発送日が遅れる場合がございます。
詳細を見る
数量:
替こて先0.8D

太洋電機産業(goot)

替こて先0.8D

●RX802/852AS用替えこて先
●コテ先名称:W0.8mm ●質量(g):7
品番
61-4484-07
販売価格(税込)
1,619円
出荷予定日
通常7営業日 メーカーの事情により発送日が遅れる場合がございます。
詳細を見る
数量:
替こて先0.5型RX802/852AS用

太洋電機産業(goot)

替こて先0.5型RX802/852AS用

●RX802/852AS用替えこて先
●こて先幅(mm):0.5 ●質量(g):7
品番
61-4484-06
販売価格(税込)
1,619円
出荷予定日
通常7営業日 メーカーの事情により発送日が遅れる場合がございます。
詳細を見る
数量:
ホットナイフ

太洋電機産業(goot)

ホットナイフ

●熱で切るから切断面が滑らかです。 ●プラモデルのゲート切断に最適。 ●熱を加えてカットするから、切断面が滑らかです。 ●折り曲げコテ台、ヤニ入はんだ、はんだこて用のこて先をセットしてありますのでハンダコテとしても使用できます。 ●付属のこて先ではんだこてとしても使用できます。 ●こて置き台、はんだ付きです。 ●プラスティック切断用ホットナイフ55Wです。
●定格電圧:100V・AC ●消費電力:55W ●コテ先温度:ホットナイフ使用時/約300度・ハンダコテ使用時/約560度 ●全長:250mm(ホットナイフ使用時) ●ニクロムヒーター ●重量:65g ●サイズ:奥行260mm×幅55mm×高さ30mm
品番
62-4022-63
販売価格(税込)
2,091円
出荷予定日
16時までの注文で当日発送
(休業日は翌営業日発送)
通常3営業日 メーカーの事情により発送日が遅れる場合がございます。
詳細を見る
数量:
逆作用ピンセット 大

太洋電機産業(goot)

逆作用ピンセット 大

●非磁性に優れたステンレス製の逆作用のピンセットです。 ●はんだ付け作業時の部品保持。 ●バネ作用で部品をつかむ自閉型です。 ●非磁性に優れたステンレスを採用しています。 ●RoHS対応品です。
●先端形状:ラウンド ●長さ:約168mm ●重量:約30g ●材質1:非磁性ステンレス ●注意事項1:※刃先は鋭利で危険ですので、子供や幼児の手の届かないところに保管してください。 ●注意事項2:※ピンセットは部品の取り扱いに使用する工具なのでそれ以外の用途で使用しないでください。
品番
62-4022-80
販売価格(税込)
768円
出荷予定日
16時までの注文で当日発送
(休業日は翌営業日発送)
通常3営業日 メーカーの事情により発送日が遅れる場合がございます。
詳細を見る
数量:
ヒートシーラー 400W

太洋電機産業(goot)

ヒートシーラー 400W

●電源:100V(AC 50/60Hz) ●消費電力:400W ●接着寸法:幅1.6×長さ300mm ●最高温度:約215℃(タイマーMax.時) ●外形寸法:80(W)×440(L)×180(H)mm ●重量:約3.8kg ●加工能力:ポリエチレン 約0.35mm(2枚以上重ねた接着部の厚み合計) ●シール幅:300mm ●付属品:ヒーター2本/テフロンシート1枚 ●ポリプロピレンやポリエチレンなどの接着がレバーを押さえるだけのワンクッションで簡単にできます。 ●ダイヤルの調整(タイマー回路)で薄物から厚い物まで均一に接着します。 ●金属のボディで抜群の耐久性と安定性があります。
品番
64-6211-02
販売価格(税込)
38,152円
出荷予定日
通常99営業日 メーカーの事情により発送日が遅れる場合がございます。
詳細を見る
数量:
ステンレス用フラックス 100ml

太洋電機産業(goot)

ステンレス用フラックス 100ml

●ステンレスのはんだ付け
●容量(ml):100
品番
61-4487-50
販売価格(税込)
1,973円
出荷予定日
通常7営業日 メーカーの事情により発送日が遅れる場合がございます。
詳細を見る
数量:
ステンレス用フラックス 25ml

太洋電機産業(goot)

ステンレス用フラックス 25ml

●ステンレスのはんだ付け
●容量(ml):25
品番
61-4487-49
販売価格(税込)
623円
出荷予定日
通常7営業日 メーカーの事情により発送日が遅れる場合がございます。
詳細を見る
数量:
ミニバイス

太洋電機産業(goot)

ミニバイス

●ミニバイス
●幅(mm):80 ●奥行(mm):90 ●高さ(mm):70 ●質量(g):110
品番
61-4486-30
販売価格(税込)
1,053円
出荷予定日
通常7営業日 メーカーの事情により発送日が遅れる場合がございます。
詳細を見る
数量:
セラミックはんだこて 420℃ 付属コテ先:CS-20/30RT-SB

太洋電機産業(goot)

セラミックはんだこて 420℃ 付属コテ先:CS-20/30RT-SB

●精密プリント基板用はんだこて ●低ワット ●スリムグリップ
●最高温度(℃):420 ●電源(V):AC100 ●消費電力(W):20 ●付属コテ先:CS-20/30RT-SB ●全長(mm):188 ●質量(g):43
品番
61-4485-72
販売価格(税込)
2,488円
出荷予定日
通常7営業日 メーカーの事情により発送日が遅れる場合がございます。
詳細を見る
数量:
替ヒーター HS-400用 400W 5本入

太洋電機産業(goot)

替ヒーター HS-400用 400W 5本入

●適応機種:HS-400 ●入数:5本入
品番
64-6211-03
販売価格(税込)
3,694円
出荷予定日
通常99営業日 メーカーの事情により発送日が遅れる場合がございます。
詳細を見る
数量:
はんだこて台 セラミックこて専用 72mm幅

太洋電機産業(goot)

はんだこて台 セラミックこて専用 72mm幅

●はんだこて台
●幅(mm):72 ●奥行(mm):106 ●高さ(mm):178 ●質量(g):485
品番
61-4486-14
販売価格(税込)
3,643円
出荷予定日
通常12営業日 メーカーの事情により発送日が遅れる場合がございます。
詳細を見る
数量:
デジタル温調はんだこて 3芯コード・アースピンプラグ付

太洋電機産業(goot)

デジタル温調はんだこて 3芯コード・アースピンプラグ付

●デジタル制御の温調はんだこてです。 ●グリップ部は耐熱性の高い6ナイロンを使用しています。 ●はんだ付け対象にあわせて設定温度を200℃から500℃まで1℃単位で調整が可能です。 ●振動センサーによるスリープ、シャットダウンの設定が可能で、こまめなスリープで、こて先寿命が長くなります。 ●暗証番号方式によるキーロックで作業者の無断での温度変更を防ぎます。
●電源:AC100V 50/60Hz 80W ●リップル温度:無負荷時±5℃ ●絶縁抵抗:100mΩ(500V DC) ●ヒーター:セラミックヒーター ●全長:219mm ●重量:70g ●アース抵抗:2Ω以下 ●リーク電圧:2mV未満 ●付属品:こて先(PX-28RT-S2C) ●設定温度(℃):200~500 ●電源コード:1.5m 3芯コード・アースピンプラグ付
品番
4-5387-02
販売価格(税込)
8,993円
出荷予定日
16時までの注文で当日発送
(休業日は翌営業日発送)
通常3営業日 メーカーの事情により発送日が遅れる場合がございます。
詳細を見る
数量:
デジタル温調はんだこて

太洋電機産業(goot)

デジタル温調はんだこて

●デジタル制御の温調はんだこてです。 ●グリップ部は耐熱性の高い6ナイロンを使用しています。 ●はんだ付け対象にあわせて設定温度を200℃から500℃まで1℃単位で調整が可能です。 ●振動センサーによるスリープ、シャットダウンの設定が可能で、こまめなスリープで、こて先寿命が長くなります。 ●暗証番号方式によるキーロックで作業者の無断での温度変更を防ぎます。
●電源:AC100V 50/60Hz 80W ●リップル温度:無負荷時±5℃ ●絶縁抵抗:100mΩ(500V DC) ●ヒーター:セラミックヒーター ●全長:219mm ●重量:70g ●付属品:こて先(PX-28RT-S2C) ●設定温度(℃):200~500 ●電源コード:1.5m
品番
4-5387-01
販売価格(税込)
7,627円
出荷予定日
16時までの注文で当日発送
(休業日は翌営業日発送)
通常3営業日 メーカーの事情により発送日が遅れる場合がございます。
詳細を見る
数量:
角型 はんだ槽

太洋電機産業(goot)

角型 はんだ槽

●PID制御によりはんだ量の変化、周囲温度の変化などの外乱や温度設定の変更に関わらず、測定温度は素早く設定温度に近づき、最終的にほとんど偏差を生じません。 ●設定温度と測定温度が同時にわかるデジタル表示です。 ●はんだ槽とヒーターが別々になっているのでヒーター交換が簡単です。
●電源(V):AC100 ●消費電力(W):440 ●本体寸法(mm)幅:360 ●本体寸法(mm)奥行:220 ●本体寸法(mm)高さ:124 ●槽寸法(mm)幅:91 ●槽寸法(mm)奥行:135 ●槽寸法(mm)高さ:60 ●槽寸法(mm)幅×奥行×高さ:91×135×60 ●はんだ槽:SUS316 ●上下限警報ランプ付 ●アース線接続端子付 ●原産国:日本 ●コード番号:112-9956
品番
63-9550-68
販売価格(税込)
186,442円
出荷予定日
通常5営業日 メーカーの事情により発送日が遅れる場合がございます。
詳細を見る
数量:
HS-300用 テフロンシート 5枚入

太洋電機産業(goot)

HS-300用 テフロンシート 5枚入

●適応機種:HS-300 ●入数:5本入
品番
64-6211-01
販売価格(税込)
1,812円
出荷予定日
通常99営業日 メーカーの事情により発送日が遅れる場合がございます。
詳細を見る
数量:
ホットシーラー ヘラ型

太洋電機産業(goot)

ホットシーラー ヘラ型

●ナイロン、ビニール、ポリエチレンの接着加工に ●日用品、衣料品、食料品、家庭用の保存シールに最適 ●密封・パックに ●RoHS対応品
●ニクロムヒーター型
品番
63-5407-35
販売価格(税込)
2,217円
出荷予定日
通常99営業日 メーカーの事情により発送日が遅れる場合がございます。
詳細を見る
数量:
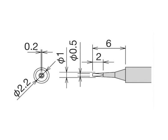
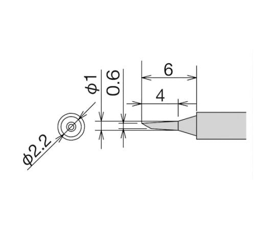
替こて先 0.5D型 RX-812AS/802AS

太洋電機産業(goot)

替こて先 0.5D型 RX-812AS/802AS

●微細はんだ付けに適したφ2.9の極細こて先に。
●適合機種:RX-81GAS、RX-80GAS、RX-85GAS ●コテ先名称:W0.5mm ●品名:替えこて先 ●コテ先径(mm):φ2.9 ●消費電力(W):36 ●消費電力:36W ●原産国:日本 ●コード番号:818-3701
品番
62-2577-18
販売価格(税込)
3,719円
出荷予定日
通常5営業日 メーカーの事情により発送日が遅れる場合がございます。
詳細を見る
数量:
フィーダーペン(φ1.2-1.6はんだ用)

太洋電機産業(goot)

フィーダーペン(φ1.2-1.6はんだ用)

●両手で使用するとスムーズに作業が行えます。 ●自動はんだ送り装置:FD-100のオプションパーツ用。 ●両手で使用するとスムーズに作業が行えます。
●全長(mm):1000 ●品名:はんだ送り装置 ●適合はんだ径(mm):φ1.2~φ1.6 ●パーツ名:はんだ送り装置 ●適合本体:FD-100/110シリーズ ●自動はんだ送り装置FD-100用フィーダーペン ●対応はんだ径φ1.2~1.6 ●注意:はんだノズル(FD-100Nシリーズ)は別売です。はんだ径に合わせて別途お買い求め下さい。スイッチプラグは別売です。別途フットスイッチ(FD-100FS)をお買い求め下さい。別途フットスイッチ(FD-100FS)をお買い求め下さい。 ●原産国:日本 ●コード番号:758-2234
品番
61-8775-37
販売価格(税込)
5,335円
出荷予定日
通常5営業日 メーカーの事情により発送日が遅れる場合がございます。
詳細を見る
数量:
フィーダーペン(φ0.6-1.0はんだ用)

太洋電機産業(goot)

フィーダーペン(φ0.6-1.0はんだ用)

●両手で使用するとスムーズに作業が行えます。 ●自動はんだ送り装置:FD-100のオプションパーツ用。 ●両手で使用するとスムーズに作業が行えます。
●全長(mm):1000 ●品名:はんだ送り装置 ●適合はんだ径(mm):φ0.6~φ1.0 ●パーツ名:はんだ送り装置 ●適合本体:FD-100/110シリーズ ●自動はんだ送り装置FD-100用フィーダーペン ●対応はんだ径φ0.6~1.0 ●注意:はんだノズル(FD-100Nシリーズ)は別売です。はんだ径に合わせて別途お買い求め下さい。スイッチプラグは別売です。別途フットスイッチ(FD-100FS)をお買い求め下さい。別途フットスイッチ(FD-100FS)をお買い求め下さい。 ●原産国:日本 ●コード番号:758-2226
品番
61-8775-36
販売価格(税込)
5,335円
出荷予定日
通常5営業日 メーカーの事情により発送日が遅れる場合がございます。
詳細を見る
数量:
SC-5用 替ニクロム線 1m

太洋電機産業(goot)

SC-5用 替ニクロム線 1m

●説明書に従い、ご自身で切ってお使いください。 ●USB接続発泡スチロールカッター用オプションです。 ●SC-5APの交換用。
●注意:無理な力を加えると変形または切れてしまう恐れがあります、ご注意ください。 ●原産国:日本 ●発注コード:147-8188
品番
63-9586-10
販売価格(税込)
130円
出荷予定日
通常5営業日 メーカーの事情により発送日が遅れる場合がございます。
詳細を見る
数量:
精密ニッパー静電対策φ0.8

太洋電機産業(goot)

精密ニッパー静電対策φ0.8

●切断面は水平な状態でカットされていますので、精密部品のリード線、カッティング作業時に部品本体への衝撃が加わる心配がありません。 ●指先だけの圧力で簡単にカットできる特殊構造です。
●全長(mm):133 ●切断能力(mm)アルミ線:× ●切断能力(mm)ABS樹脂:× ●切断能力(mm)プラスチック:× ●切断能力(mm)硬線:× ●切断能力(mm)樹脂:× ●切断能力(mm)中硬線:× ●切断能力(mm)鉄線:× ●切断能力(mm)銅線:φ0.8 ●切断能力(mm)軟線:× ●刃先(mm):6 ●フラット刃 ●ばね付 ●材質/仕上:高炭素鋼、グリップ/塩化ビニール ●銅線以外の切断には使用しないで下さい。 ●原産国:イタリア ●コード番号:788-7329
品番
62-2641-11
販売価格(税込)
3,491円
出荷予定日
通常5営業日 メーカーの事情により発送日が遅れる場合がございます。
詳細を見る
数量:
ドリル刃φ2.4mm

太洋電機産業(goot)

ドリル刃φ2.4mm

●TP-100/200用ドリル刃
●替ドリル刃(mm):φ2.4 ●質量(g):1.6
品番
61-4484-97
販売価格(税込)
374円
出荷予定日
通常7営業日 メーカーの事情により発送日が遅れる場合がございます。
詳細を見る
数量:
ドリル刃φ1.4mm

太洋電機産業(goot)

ドリル刃φ1.4mm

●TP-100/200用ドリル刃
●替ドリル刃(mm):φ1.4 ●質量(g):0.4
品番
61-4484-96
販売価格(税込)
374円
出荷予定日
通常7営業日 メーカーの事情により発送日が遅れる場合がございます。
詳細を見る
数量:
ドリル刃φ0.9mm

太洋電機産業(goot)

ドリル刃φ0.9mm

●TP-100/200用ドリル刃
●替ドリル刃(mm):φ0.9 ●質量(g):0.1
品番
61-4484-95
販売価格(税込)
405円
出荷予定日
通常7営業日 メーカーの事情により発送日が遅れる場合がございます。
詳細を見る
数量:
ドリル刃φ0.7mm

太洋電機産業(goot)

ドリル刃φ0.7mm

●TP-100/200用ドリル刃
●替ドリル刃(mm):φ0.7 ●質量(g):0.1
品番
61-4484-94
販売価格(税込)
436円
出荷予定日
通常5営業日 メーカーの事情により発送日が遅れる場合がございます。
詳細を見る
数量:
こて先クリーナー

太洋電機産業(goot)

こて先クリーナー

●こて先クリーナー
●高さ(mm):45 ●幅(mm):57 ●奥行(mm):87 ●質量(g):35
品番
61-4486-16
販売価格(税込)
374円
出荷予定日
通常7営業日 メーカーの事情により発送日が遅れる場合がございます。
詳細を見る
数量:
SS-80AS用 ダクトノズル

太洋電機産業(goot)

SS-80AS用 ダクトノズル

●SS-80AS用ダクトノズルです。 ●SS-83AS用交換部品に。
●寸法(φ×m):65×0.1 ●SS-80AS用 ●原産国:中国 ●コード番号:153-2911
品番
63-9604-10
販売価格(税込)
5,476円
出荷予定日
通常5営業日 メーカーの事情により発送日が遅れる場合がございます。
詳細を見る
数量:
こて部RX-852AS用

太洋電機産業(goot)

こて部RX-852AS用

●RX-852AS用こて部
●替こて部 ●質量(g):39
品番
61-4484-63
販売価格(税込)
6,780円
出荷予定日
通常7営業日 メーカーの事情により発送日が遅れる場合がございます。
詳細を見る
数量:
精密ニッパーフラットカットφ1.0

太洋電機産業(goot)

精密ニッパーフラットカットφ1.0

●切断面は水平な状態でカットされていますので、精密部品のリード線、カッティング作業時に部品本体への衝撃が加わる心配がありません。 ●指先だけの圧力で簡単にカットできる特殊構造です。
●全長(mm):133 ●切断能力(mm)アルミ線:× ●切断能力(mm)ABS樹脂:× ●切断能力(mm)プラスチック:× ●切断能力(mm)硬線:× ●切断能力(mm)樹脂:× ●切断能力(mm)中硬線:× ●切断能力(mm)鉄線:× ●切断能力(mm)銅線:φ1.0 ●切断能力(mm)軟線:× ●フラット刃 ●ばね付 ●飛散防止クリップ付 ●材質/仕上:高炭素鋼、グリップ/塩化ビニール ●銅線以外の切断には使用しないで下さい。 ●原産国:イタリア ●コード番号:788-7302
品番
62-2641-09
販売価格(税込)
2,834円
出荷予定日
通常5営業日 メーカーの事情により発送日が遅れる場合がございます。
詳細を見る
数量:
こて先交換治具 黒 RX802SPH用

太洋電機産業(goot)

こて先交換治具 黒 RX802SPH用

●こて先交換治具
●替部品 ●質量(g):29
品番
61-4484-56
販売価格(税込)
1,923円
出荷予定日
通常7営業日 メーカーの事情により発送日が遅れる場合がございます。
詳細を見る
数量:
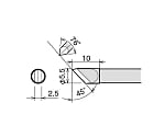
替こて先 SBJ型 RX-812AS/802AS

太洋電機産業(goot)

替こて先 SBJ型 RX-812AS/802AS

●微細はんだ付けに適したφ2.9の極細こて先に。
●適合機種:RX-81GAS、RX-80GAS、RX-85GAS ●コテ先名称:R0.1mm ●品名:替えこて先 ●コテ先径(mm):φ2.9 ●消費電力(W):36 ●消費電力:36W ●原産国:日本 ●コード番号:818-3703
品番
62-2577-23
販売価格(税込)
4,250円
出荷予定日
通常5営業日 メーカーの事情により発送日が遅れる場合がございます。
詳細を見る
数量:
はんだこて台 セラミックこて専用 68mm幅

太洋電機産業(goot)

はんだこて台 セラミックこて専用 68mm幅

●はんだこて台
●幅(mm):68 ●奥行(mm):160 ●高さ(mm):148 ●質量(g):400
品番
61-4486-29
販売価格(税込)
2,020円
出荷予定日
通常7営業日 メーカーの事情により発送日が遅れる場合がございます。
詳細を見る
数量:
はんだこて台 セラミックこて専用 102mm幅

太洋電機産業(goot)

はんだこて台 セラミックこて専用 102mm幅

●はんだこて台
●幅(mm):102 ●奥行(mm):110 ●高さ(mm):140 ●質量(g):490
品番
61-4486-28
販売価格(税込)
1,914円
出荷予定日
通常7営業日 メーカーの事情により発送日が遅れる場合がございます。
詳細を見る
数量:
はんだこて台 110mm幅

太洋電機産業(goot)

はんだこて台 110mm幅

●はんだこて台
●幅(mm):110 ●奥行(mm):125 ●高さ(mm):125 ●質量(g):480
品番
61-4486-27
販売価格(税込)
1,914円
出荷予定日
通常7営業日 メーカーの事情により発送日が遅れる場合がございます。
詳細を見る
数量:
はんだこて台 102mm幅

太洋電機産業(goot)

はんだこて台 102mm幅

●はんだこて台
●幅(mm):102 ●奥行(mm):110 ●高さ(mm):115 ●質量(g):410
品番
61-4486-26
販売価格(税込)
1,627円
出荷予定日
通常12営業日 メーカーの事情により発送日が遅れる場合がございます。
詳細を見る
数量:
熱収縮フィルム

太洋電機産業(goot)

熱収縮フィルム

●透明性・光沢性・柔軟性抜群の業務用シュリンクフィルムです。 ●熱収縮フィルム。 ●製品の保護・キズ防止・保存に最適です。 ●工業用ドライヤーで加熱するだけで美しいシュリンク包装が簡単にできます。 ●商品を包み、工業用ドライヤーで加熱するだけで美しいシュリンク包装が簡単にできます。 ●包装後の商品へのスリ傷や衝撃による破裂がほとんどないです。 ●燃やしても有毒ガスは発生しないです。
●幅:50cm ●長さ:20m巻 ●RoHS対応品 ●材質1:ポリオレフィン ●注意事項1:※加熱には90度以上の熱風が出る工業用ドライヤーが必要です。
品番
62-4023-05
販売価格(税込)
1,569円
出荷予定日
通常5営業日 メーカーの事情により発送日が遅れる場合がございます。
詳細を見る
数量:
N2ステーション型温調はんだこて

太洋電機産業(goot)

N2ステーション型温調はんだこて

●窒素ガス(N2)対応ステーション型温調はんだこて ●鉛フリー対応 ●ヌレ性・切れ性の向上 ●はんだ部、こて先の酸化防止
●電源(V):AC100 ●消費電力(W):80 ●ヒーター容量(W):72 ●付属コテ先:なし ●幅(mm):115 ●奥行(mm):146 ●高さ(mm):98 ●制御温度(℃):50~450 ●質量(kg):1.8
品番
61-4484-03
販売価格(税込)
51,612円
出荷予定日
通常5営業日 メーカーの事情により発送日が遅れる場合がございます。
詳細を見る
数量:
鉛フリー用温調はんだこてD表示

太洋電機産業(goot)

鉛フリー用温調はんだこてD表示

●電源投入後、約6秒で使用可能(350℃設定時) ●空焼きを防止するスリープ機能を内蔵 ●小型高出力ヒーター(72W)で優れた熱回復力 ●静電気から製品を守るESD対応仕様 ●見やすいデジタル温度表示
●電源(V):AC100 ●消費電力(W):80 ●ヒーター容量(W):72 ●付属コテ先:なし ●幅(mm):115 ●奥行(mm):146 ●高さ(mm):98 ●制御温度(℃):50~450 ●設定温度(℃):50~450 ●コード長さ(m):1.2 ●質量(kg):1.9
品番
61-4484-02
販売価格(税込)
37,444円
出荷予定日
通常7営業日 メーカーの事情により発送日が遅れる場合がございます。
詳細を見る
数量:
鉛フリーはんだごて

太洋電機産業(goot)

鉛フリーはんだごて

●優れた熱回復力の大熱容量タイプです。  ●ヒーター・センサー一体型のこて先ですので、メンテナンス・交換作業が容易です。
●温度設定範囲:50~450℃ ●絶縁抵抗:100MΩ以上 ●こて部全長:158mm(1.2mコード付き) ●電源:AC100V 50/60Hz ●消費電力:80W ●電源コード長:1.2m(3芯コード・アースピンプラグ付き) ●付属品:こて台、標準こて先 ●本体サイズ(mm):115×146×98 ●重量(kg):約1.8 ●ステーション型
品番
1-9769-01
販売価格(税込)
34,393円
出荷予定日
16時までの注文で当日発送
(休業日は翌営業日発送)
通常3営業日 メーカーの事情により発送日が遅れる場合がございます。
詳細を見る
数量:
鉛フリーはんだ対応マイクロソルダリングはんだこて (1台入)

太洋電機産業(goot)

鉛フリーはんだ対応マイクロソルダリングはんだこて (1台入)

●微細はんだ付に適したφ2.9の極細こて先(RX-81HRTシリーズ)に合わせて設計された新グリップ採用です。 ●電源投入後、約4秒で使用可能です。(350℃設定時) ●マイクロソルダリング専用こて先RX-81HRTシリーズ以外に、80W型RX-80HRTシリーズのこて先も使用可能です。 ●スライド方式により、こて先が熱いままでも工具なしで交換可能です。(PAT.) ●全種類のこて先、鉛フリーはんだの浸食を考慮した鉄メッキ厚にしています。
●電源(V):AC100 ●消費電力(W):80 ●ヒーター容量(W):36 ●付属コテ先:なし ●幅(mm):115 ●奥行(mm):146 ●高さ(mm):98 ●設定温度(℃):50~450 ●コテ部コード長さ(m):1.2 ●絶縁抵抗:100MΩ以上 ●品名:替えこて先 ●コテ先名称:W3.2mm ●適合機種:RX-802ASPH ●リップル温度:設定温度±5℃(無負荷時) ●アース抵抗:2Ω以下 ●リーク電圧:2mV未満 ●セット内容/付属品:ステーション本体、コテ部(RX-81GAS)、コテ台 ●コテ先は別売です。 ●RX-80HRTシリーズのコテ先を使用した時は、72Wのパワーです。 ●原産国:日本 ●コード番号:818-3698
品番
62-2577-17
販売価格(税込)
35,350円
出荷予定日
通常5営業日 メーカーの事情により発送日が遅れる場合がございます。
詳細を見る
数量:
ホットボンド 7W

太洋電機産業(goot)

ホットボンド 7W

●ホットボンドガン ●ホビー用 ●室内装飾・ラッピング ●段ボールなどの梱包作業 ●製本/靴/カバンの補修・接着 ●すき間のコーティング ●プリント基板用のリード線接着、電子部品の固定などのアッセンブリ作業
●設定温度(℃):160 ●電源(V):AC100 ●消費電力(W):7 ●コード:1.5m ●質量(g):0.10
品番
61-4486-62
販売価格(税込)
1,914円
出荷予定日
通常99営業日 メーカーの事情により発送日が遅れる場合がございます。
詳細を見る
数量:
SC-2用 替ニクロム線 1m

太洋電機産業(goot)

SC-2用 替ニクロム線 1m

●全長(m):1 ●適合機種:SC-2 ●全長(m):1 ●原産国:日本 ●コード番号:112-8360
品番
63-9585-46
販売価格(税込)
101円
出荷予定日
通常5営業日 メーカーの事情により発送日が遅れる場合がございます。
詳細を見る
数量:
電気半田鏝セット

太洋電機産業(goot)

電気半田鏝セット

●家庭用はんだこてセットです。 ●電子工作から電気部品まで。 ●はんだこてに、はんだ、ペースト・折り曲げこて台・サンドペーパーをセットしています。 ●初心者の方にも扱いやすい小型、軽量タイプです。
●消費電力:55W ●こて先温度:540度 ●全長:240mm ●重量:70g ●セット内容:はんだこて、折り曲げこて台、ペースト(10g)、ヤニ入りはんだ、サンドペーパー ●ニクロムヒーター ●材質1:こて先:銅
品番
62-4022-56
販売価格(税込)
1,822円
出荷予定日
通常5営業日 メーカーの事情により発送日が遅れる場合がございます。
詳細を見る
数量:
電気半田鏝セット

太洋電機産業(goot)

電気半田鏝セット

●はんだこて、ペースト、折り曲げこて台、ヤニ入りはんだ、サンドペーパーがセットになった家庭用はんだこてセットです。 ●電子工作、電気部品へのハンダ付け。 ●はんだこてに、はんだ、ペースト・折り曲げこて台・サンドペーパーをセットしています。 ●初心者の方にも扱いやすい小型、軽量タイプです。
●消費電力:40W ●こて先温度:515度 ●全長:210mm ●重量:50g ●ヒーター:ニクロムヒーター ●材質1:こて先:銅 ●セット内容:はんだこて、折り曲げこて台、ペースト(10g)、ヤニ入りはんだ、サンドペーパー
品番
62-4022-55
販売価格(税込)
1,619円
出荷予定日
通常5営業日 メーカーの事情により発送日が遅れる場合がございます。
詳細を見る
数量:
電気半田鏝セット

太洋電機産業(goot)

電気半田鏝セット

●家庭用はんだこてセットです。 ●電子工作から電気部品まで。 ●はんだこてに、はんだ、ペースト・折り曲げこて台・サンドペーパーをセットしています。 ●初心者の方にも扱いやすい小型、軽量タイプです。
●消費電力:30W ●こて先温度:480度 ●サイズ:全長210mm ●重量:50g ●セット内容:はんだこて、折り曲げこて台、ペースト(10g)、ヤニ入りはんだ、サンドペーパー ●ニクロムヒーター ●材質1:こて先:銅
品番
62-4022-54
販売価格(税込)
1,619円
出荷予定日
通常5営業日 メーカーの事情により発送日が遅れる場合がございます。
詳細を見る
数量:
静電マット 緑 10m巻

太洋電機産業(goot)

静電マット 緑 10m巻

●用途 :テーブル・フロア用 ●サイズ :1m×10m ●厚さ :2mm ●:緑 ●光沢を抑えた緑色硬度:65表面抵抗比率(緑):10000000~1000000000Ω/sq、(黒):1000~100000Ω/sq付属品:プレート付アース線(WD-1E)1個付 ●RoHS対応
品番
64-6212-09
販売価格(税込)
103,224円
出荷予定日
通常99営業日 メーカーの事情により発送日が遅れる場合がございます。
詳細を見る
数量:
ホットナイフ 30W

太洋電機産業(goot)

ホットナイフ 30W

●プラモデルのゲート切断に最適! ●プラスチック、塩ビ、アクリル、発泡スチロール等をきれいにヒートカット ●熱を加えてカットするから切断面が滑らかです ●折り曲げこて台、ヤニ入はんだ、はんだこて用のこて先がセットなのではんだとしても使用可能 ●ニクロムヒーター型
●消費電力:30W ●こて先温度:ホットナイフ使用時/約250℃、はんだこて使用時/約480℃ ●全長:ホットナイフ使用時/230mm ●重量:50g
品番
63-5407-39
販売価格(税込)
1,814円
出荷予定日
通常8営業日 メーカーの事情により発送日が遅れる場合がございます。
詳細を見る
数量:
フットスイッチFD-100用

太洋電機産業(goot)

フットスイッチFD-100用

●FD-100に取り付け可能なフットスイッチです。 ●フットスイッチで、はんだ送りのON-OFFが可能になります。
●幅(mm):66 ●奥行(mm):120 ●高さ(mm):28 ●適合機種:FD-100/110シリーズ ●原産国:日本 ●コード番号:486-1248
品番
61-2189-89
販売価格(税込)
10,486円
出荷予定日
通常5営業日 メーカーの事情により発送日が遅れる場合がございます。
詳細を見る
数量:
チューブASSY(Φ1.2-1.6はんだ用)

太洋電機産業(goot)

チューブASSY(Φ1.2-1.6はんだ用)

●自動はんだ送り装置FD-100用チューブASSYです。 ●対応はんだ径φ1.2~1.6です。
●全長(mm):1200 ●適合機種:FD-100/110シリーズ ●適合はんだ径(mm):φ1.2~φ1.6 ●原産国:日本 ●コード番号:486-1345
品番
61-2189-88
販売価格(税込)
8,749円
出荷予定日
通常5営業日 メーカーの事情により発送日が遅れる場合がございます。
詳細を見る
数量:
チューブASSY(Φ0.6-1.0はんだ用)

太洋電機産業(goot)

チューブASSY(Φ0.6-1.0はんだ用)

●自動はんだ送り装置FD-100用チューブASSYです。 ●対応はんだ径φ0.6~1.0です。
●全長(mm):1200 ●適合機種:FD-100/110シリーズ ●適合はんだ径(mm):φ0.6~φ1.0 ●原産国:日本 ●コード番号:486-1337
品番
61-2189-87
販売価格(税込)
8,749円
出荷予定日
通常5営業日 メーカーの事情により発送日が遅れる場合がございます。
詳細を見る
数量:
はんだ送りパイプ RX-85GAS用

太洋電機産業(goot)

はんだ送りパイプ RX-85GAS用

●自動はんだ送り装置FD-100用送りパイプです。 ●FD-100TA-1.0/1.6に取り付けて使用します。 ●RX-85GASでFD-100を使用する場合に必要です。
●適合機種:FD-100/110シリーズ ●適合コテ部:RX-85GAS ●サイズ(mm):φ3.5×40 ●原産国:日本 ●コード番号:486-1329
品番
61-2189-81
販売価格(税込)
1,346円
出荷予定日
通常99営業日 メーカーの事情により発送日が遅れる場合がございます。
詳細を見る
数量:
はんだ送りパイプ RX-80GAS用

太洋電機産業(goot)

はんだ送りパイプ RX-80GAS用

●自動はんだ送り装置FD-100用送りパイプです。 ●FD-100TA-1.0/1.6に取り付けて使用します。 ●RX-80GASでFD-100を使用する場合に必要です。
●適合機種:FD-100/110シリーズ ●適合コテ部:RX-80GAS ●サイズ(mm):φ3.5×56 ●原産国:日本 ●コード番号:486-1311
品番
61-2189-80
販売価格(税込)
1,346円
出荷予定日
通常5営業日 メーカーの事情により発送日が遅れる場合がございます。
詳細を見る
数量:
はんだ送りパイプ RX-72GAS用

太洋電機産業(goot)

はんだ送りパイプ RX-72GAS用

●自動はんだ送り装置FD-100用送りパイプです。 ●FD-100TA-1.0/1.6に取り付けて使用します。
●適合機種:FD-100/110シリーズ ●適合コテ部:RX-72GAS ●サイズ(mm):φ3.5×82 ●原産国:日本 ●コード番号:486-1302
品番
61-2189-79
販売価格(税込)
1,346円
出荷予定日
通常99営業日 メーカーの事情により発送日が遅れる場合がございます。
詳細を見る
数量:
鉛フリーはんだ対応・自動はんだ送り装置

太洋電機産業(goot)

鉛フリーはんだ対応・自動はんだ送り装置

●φ1.6鉛フリーはんだに対応しています。 ●はんだ詰まりの少ないストレート送りです。 ●お手持ちのコテ部に後から装着も可能です。 ●はんだの自動供給に。
●電源(V):100~240 ●消費電力(W):8 ●幅(mm):82 ●奥行(mm):140 ●高さ(mm):210 ●適合機種:RX-802AS/822AS/852AS/701AS/711AS ●定格電圧(V):AC100~240 ●適合コテ部:RX-80GAS/81GAS/85GAS ●はんだ送り速度:6~22mm/秒(無負荷時) ●はんだ送り時間:0~4秒 ●はんだ戻し量:0~5mm(一定速度) ●対応はんだ:φ0.6~1.6 ●原産国:日本 ●コード番号:486-1230
品番
61-2189-78
販売価格(税込)
49,368円
出荷予定日
通常5営業日 メーカーの事情により発送日が遅れる場合がございます。
詳細を見る
数量:
精密ニッパー 標準カット

太洋電機産業(goot)

精密ニッパー 標準カット

●最大切断直径:(φ)2.0 ●カット形状:標準 ●全長;(mm)138 ●デリケートなカッティング作業に最適。
品番
63-3193-29
販売価格(税込)
4,463円
出荷予定日
通常99営業日 メーカーの事情により発送日が遅れる場合がございます。
詳細を見る
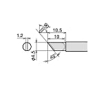
数量:
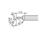
替こて先 0.6C型 RX-812AS/802AS

太洋電機産業(goot)

替こて先 0.6C型 RX-812AS/802AS

●微細はんだ付けに適したφ2.9の極細こて先に。
●適合機種:RX-81GAS、RX-80GAS、RX-85GAS ●コテ先名称:φ0.6mm ●品名:替えこて先 ●コテ先径(mm):φ2.9 ●消費電力(W):36 ●消費電力:36W ●原産国:日本 ●コード番号:818-3700
品番
62-2577-19
販売価格(税込)
3,719円
出荷予定日
通常5営業日 メーカーの事情により発送日が遅れる場合がございます。
詳細を見る
数量:
セラミックはんだこて 380℃ 付属コテ先:CS-20/30RT-SB

太洋電機産業(goot)

セラミックはんだこて 380℃ 付属コテ先:CS-20/30RT-SB

●精密プリント基板用はんだこて ●低ワット ●スリムグリップ
●最高温度(℃):380 ●電源(V):AC100 ●消費電力(W):15 ●付属コテ先:CS-20/30RT-SB ●全長(mm):188 ●質量(g):43
品番
61-4485-70
販売価格(税込)
2,488円
出荷予定日
通常7営業日 メーカーの事情により発送日が遅れる場合がございます。
詳細を見る
数量:
ソルダーポット

太洋電機産業(goot)

ソルダーポット

●ボリュームで自由に温度設定ができますので適した状態での作業が可能です。 ●ゼロクロス制御(時間制御)のため、出力ノイズが大幅にダウンします。 ●ヒーター通電時のLEDランプが点灯します。 ●リード線の予備はんだに。
●電源(V):AC100 ●消費電力(W):130 ●本体寸法(mm)幅:90 ●本体寸法(mm)奥行:150 ●本体寸法(mm)高さ:87 ●槽寸法(mm)幅:36 ●槽寸法(mm)奥行:36 ●槽寸法(mm)高さ:32 ●適合機種:POT-21C ●コード:3芯コ-ド・ア-スピンプラグ付1.3m ●溶解はんだ量(kg):0.3 ●制御温度(℃):270~530 ●電源コード長さ(m):1.3 ●槽寸法(mm)幅×奥行×高さ:36×36×32 ●はんだ槽:ステンレス ●溶解はんだ量:0.3kg ●制御温度:270~530℃ ●電源コード長さ:1.3m ●材質/仕上:はんだ漕/SUS316 ●温度センサーによる温度管理ではありません。 ●原産国:日本 ●コード番号:468-6951
品番
62-3496-02
販売価格(税込)
14,168円
出荷予定日
通常5営業日 メーカーの事情により発送日が遅れる場合がございます。
詳細を見る
数量:
替こて先 B型 RX-812AS/802AS

太洋電機産業(goot)

替こて先 B型 RX-812AS/802AS

●微細はんだ付けに適したφ2.9の極細こて先に。
●適合機種:RX-81GAS、RX-80GAS、RX-85GAS ●コテ先名称:R0.25mm ●品名:替えこて先 ●コテ先径(mm):φ2.9 ●消費電力(W):36 ●消費電力:36W ●原産国:日本 ●コード番号:818-3699
品番
62-2577-21
販売価格(税込)
3,719円
出荷予定日
通常5営業日 メーカーの事情により発送日が遅れる場合がございます。
詳細を見る
数量:
精密ニッパー 高密度集積基板用(フラットカット)

太洋電機産業(goot)

精密ニッパー 高密度集積基板用(フラットカット)

●最大切断直径:(φ)1.3 ●カット形状:フラット ●全長;(mm)137 ●高密度集積基板用。実装用の部品の足をカットする専用ニッパーです。
品番
63-3193-35
販売価格(税込)
3,583円
出荷予定日
通常99営業日 メーカーの事情により発送日が遅れる場合がございます。
詳細を見る
数量:
ハイパワーコードレスはんだごて

太洋電機産業(goot)

ハイパワーコードレスはんだごて

●使いたい時にすぐ使えるコードレスはんだこて ●作業照明が用意できない車内配線や出張先でも快適にはんだ付け作業ができるLEDライト付。 ●工具不要で交換できるアタッチメント式こて先。急な電池切れによる作業中断を防ぐ電池切れお知らせランプ。 ●カバン、ポケットに入れて持ち運び可能なスイッチ切り忘れ防止器機能付き携帯キャップ付。なにかと便利なストラップ穴付。 ●電池4本式 ●アタッチメント式こて先 ●標準こて先B型
●使用電源:単3乾電池×4本(別売) 充電式ニッケル水素電池使用可 ●消費電力:9W ●標準こて先:B型(MSD-40HRT-B) ●連続使用時間:アルカリ電池/約40分、ニッケル水素電池/約60分 ●最高使用温度:450℃以上 ●サイズ:全長222mm(キャップ除く) ●重量:68g(電池、キャップ除く)
品番
64-0977-43
販売価格(税込)
3,238円
出荷予定日
16時までの注文で当日発送
(休業日は翌営業日発送)
通常3営業日 メーカーの事情により発送日が遅れる場合がございます。
詳細を見る
数量:
精密ピンセット丸口

太洋電機産業(goot)

精密ピンセット丸口

●材質は非磁性、耐酸、耐腐食性に優れたステンレス製で、磁気およびサビを嫌う素材の作業に適しています。
●全長(mm):120 ●幅(mm):9 ●先端形状:丸口 ●先端幅(mm):2.0 ●非磁性 ●材質/仕上:ステンレス ●幅・先端幅情報はLOTにより若干の差異がございますので代表値となります。 ●原産国:インド ●コード番号:468-7523
品番
62-3582-92
販売価格(税込)
506円
出荷予定日
通常3営業日 メーカーの事情により発送日が遅れる場合がございます。
詳細を見る
数量:
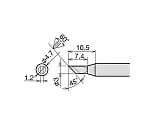
替こて先 1.5K型 RX-812AS/802AS

太洋電機産業(goot)

替こて先 1.5K型 RX-812AS/802AS

●微細はんだ付けに適したφ2.9の極細こて先に。
●適合機種:RX-81GAS、RX-80GAS、RX-85GAS ●コテ先名称:W1.5ナイフ型 ●品名:替えこて先 ●コテ先径(mm):φ2.9 ●消費電力(W):36 ●消費電力:36W ●原産国:日本 ●コード番号:818-3702
品番
62-2577-20
販売価格(税込)
4,250円
出荷予定日
通常5営業日 メーカーの事情により発送日が遅れる場合がございます。
詳細を見る
数量:
マルチクランプ 耐熱・導電シリコン使用

太洋電機産業(goot)

マルチクランプ 耐熱・導電シリコン使用

●しっかりクランプできる耐熱、導電シリコンゴム使用 ●手芸・模型工作やDIYなど、しっかり固定できて使いやすいマルチクランプ。強力なゴム製クランプでしっかり固定。 ●ワンアクションで確実にクランプできる。 ●持ち運びに便利。折りたたんでコンパクト収納。 ●角度固定ツマミは、左右どちらでも取り付け可能。
●最大クランプ幅:72mm ●最大クランプ高:35mm ●傾斜角調節:0~約100° ●固定強度:最大18N ●バイス部耐熱温度:ポリカーボネイト/約130℃、導電シリコンゴム/約220℃ ●サイズ(mm):135(L)×115(W)×35(H) 収納時 ●重量:約360g
品番
64-0977-42
販売価格(税込)
3,744円
出荷予定日
16時までの注文で当日発送
(休業日は翌営業日発送)
通常3営業日 メーカーの事情により発送日が遅れる場合がございます。
詳細を見る
数量:
精密ピンセット (わし口タイプ) 長さ:約115mm

太洋電機産業(goot)

精密ピンセット (わし口タイプ) 長さ:約115mm

●非磁性に優れたステンレス製のわし口タイプのピンセットです。 ●狭いスペースでの作業。 ●先端角度45度のカーブした刃先です。 ●非磁性に優れたステンレスを採用しています。 ●RoHS対応品です。
●先端形状:わし口タイプ ●長さ:約115mm ●重量:約15g ●材質1:非磁性ステンレス ●注意事項1:※刃先は鋭利で危険ですので、子供や幼児の手の届かないところに保管してください。 ●注意事項2:※ピンセットは部品の取り扱いに使用する工具ですのでそれ以外の用途で使用しないでください。
品番
62-4022-78
販売価格(税込)
481円
出荷予定日
16時までの注文で当日発送
(休業日は翌営業日発送)
通常3営業日 メーカーの事情により発送日が遅れる場合がございます。
詳細を見る
数量:
精密ピンセット (極細タイプ) 長さ:約125mm

太洋電機産業(goot)

精密ピンセット (極細タイプ) 長さ:約125mm

●非磁性に優れたステンレス製の極細タイプのピンセットです。 ●精密作業。 ●先端部は極細加工でシャープ強靱な刃先です。 ●非磁性に優れたステンレスを採用しています。 ●RoHS対応品です。
●先端形状:極細タイプ ●長さ:約125mm ●重量:約17g ●材質1:非磁性ステンレス ●注意事項1:※刃先は鋭利で危険ですので、子供や幼児の手の届かないところに保管してください。 ●注意事項2:※ピンセットは部品の取り扱いに使用する工具ですのでそれ以外の用途で使用しないでください。
品番
62-4022-77
販売価格(税込)
448円
出荷予定日
16時までの注文で当日発送
(休業日は翌営業日発送)
通常3営業日 メーカーの事情により発送日が遅れる場合がございます。
詳細を見る
数量:
精密ピンセット (強力タイプ) 長さ:約115mm

太洋電機産業(goot)

精密ピンセット (強力タイプ) 長さ:約115mm

●非磁性に優れたステンレス製で強力タイプのピンセットです。 ●高密度の精密作業。 ●先端部の強度が一般タイプより優れています。 ●非磁性に優れたステンレスを採用しています。 ●RoHS対応品です。
●先端形状:強力タイプ ●長さ:約115mm ●重量:約15g ●材質1:非磁性ステンレス ●注意事項1:※刃先は鋭利で危険ですので、子供や幼児の手の届かないところに保管してください。 ●注意事項2:※ピンセットは部品の取り扱いに使用する工具ですのでそれ以外の用途で使用しないでください。
品番
62-4022-76
販売価格(税込)
448円
出荷予定日
16時までの注文で当日発送
(休業日は翌営業日発送)
通常3営業日 メーカーの事情により発送日が遅れる場合がございます。
詳細を見る
数量:
精密ピンセット (標準タイプ) 長さ:約120mm

太洋電機産業(goot)

精密ピンセット (標準タイプ) 長さ:約120mm

●非磁性に優れたステンレス製で標準タイプのピンセットです。 ●プリント基板のはんだ付けや部品交換等の組立て作業に最適。 ●プリント基板のはんだ付けや部品交換等の組立て作業に最適な標準タイプです。 ●材質は非磁性、耐酸、耐腐食性に優れたステンレス製で、磁気及びサビを嫌う素材の作業に最適です。 ●RoHS対応品です。
●先端形状:標準タイプ ●長さ:約120mm ●重量:約19g ●材質1:非磁性ステンレス ●注意事項1:※刃先は鋭利で危険ですので、子供や幼児の手の届かないところに保管してください。 ●注意事項2:※ピンセットは部品の取り扱いに使用する工具ですのでそれ以外の用途で使用しないでください。
品番
62-4022-75
販売価格(税込)
448円
出荷予定日
16時までの注文で当日発送
(休業日は翌営業日発送)
通常3営業日 メーカーの事情により発送日が遅れる場合がございます。
詳細を見る
数量:
ハロゲン鉛フリーはんだ 45g1.0mm

太洋電機産業(goot)

ハロゲン鉛フリーはんだ 45g1.0mm

●ハロゲンフリータイプはんだ ●鉛フリー ●RoHS対応 ●鉛を含まない環境にやさしいはんだ
●線径(mm):1.0 ●質量(g):45
品番
61-4487-41
販売価格(税込)
2,537円
出荷予定日
通常5営業日 メーカーの事情により発送日が遅れる場合がございます。
詳細を見る
数量:
ハロゲン鉛フリーはんだ 45g0.8mm

太洋電機産業(goot)

ハロゲン鉛フリーはんだ 45g0.8mm

●ハロゲンフリータイプはんだ ●鉛フリー ●RoHS対応 ●鉛を含まない環境にやさしいはんだ
●線径(mm):0.8 ●質量(g):45
品番
61-4487-40
販売価格(税込)
2,537円
出荷予定日
通常5営業日 メーカーの事情により発送日が遅れる場合がございます。
詳細を見る
数量:
ハロゲン鉛フリーはんだ 45g0.6mm

太洋電機産業(goot)

ハロゲン鉛フリーはんだ 45g0.6mm

●ハロゲンフリータイプはんだ ●鉛フリー ●RoHS対応 ●鉛を含まない環境にやさしいはんだ
●線径(mm):0.6 ●質量(g):45
品番
61-4487-39
販売価格(税込)
2,632円
出荷予定日
通常7営業日 メーカーの事情により発送日が遅れる場合がございます。
詳細を見る
数量:
精密ピンセットラージ

太洋電機産業(goot)

精密ピンセットラージ

●材質は非磁性、耐酸、耐腐食性に優れたステンレス製で、磁気およびサビを嫌う素材の作業に適しています。
●全長(mm):140 ●幅(mm):8 ●先端形状:細口 ●先端幅(mm):0.3 ●非磁性 ●材質/仕上:ステンレス ●幅・先端幅情報はLOTにより若干の差異がございますので代表値となります。 ●原産国:インド ●コード番号:468-7507
品番
62-3582-89
販売価格(税込)
486円
出荷予定日
通常5営業日 メーカーの事情により発送日が遅れる場合がございます。
詳細を見る
数量:
500Wステーション型温調はんだこて こて先無

太洋電機産業(goot)

500Wステーション型温調はんだこて こて先無

●温調可能な500W超ハイパワーはんだこてです。 ●大熱容量部品、板金はんだ付けに適しています。 ●シールドケース板金のはんだ付け、太径銅線端子加締め部分の追いはんだなど超高負荷・大熱容量部品のはんだ付けに。
●電源(V):AC100~240 ●消費電力(W):560~630 ●ヒーター容量(W):500(DC 40V) ●付属コテ先:なし ●幅(mm):136 ●奥行(mm):184 ●高さ(mm):240 ●設定温度(℃):50~500 ●コテ部コード長さ(m):1.5 ●制御温度(℃):50~500 ●インテリジェントスリープ(空焼防止)機能付 ●上下限温度範囲のアラーム機能付 ●はんだ付け時間アラーム機能付 ●世界最高出力500Wヒーター・センサー一体型こて先(PAT.P) ●多彩な機能により、はんだ付けをサポート(PAT.) ●セット内容/付属品:ステーション部、コテ部(RX-89GAS)、コテ台、電源コード ●コテ先は別売です。 ●原産国:日本 ●コード番号:827-9361
品番
62-3512-36
販売価格(税込)
318,780円
出荷予定日
通常99営業日 メーカーの事情により発送日が遅れる場合がございます。
詳細を見る
数量:
温調はんだこてRX-892AS用替こて先 15D

太洋電機産業(goot)

温調はんだこてRX-892AS用替こて先 15D

●RX-892AS用のコテ先です。 ●最高出力500Wのヒーター・センサー一体型コテ先です。
●コテ先名称:先端幅:15mm ●パーツ名:こて先 ●先端形状:15D ●適合コテ:RX-892AS(RX-89GAS) ●幅:15mmの平型形状 ●原産国:日本 ●コード番号:827-9364
品番
62-3512-39
販売価格(税込)
10,247円
出荷予定日
通常5営業日 メーカーの事情により発送日が遅れる場合がございます。
詳細を見る
数量:
HS-400用 テフロンシート 5枚入

太洋電機産業(goot)

HS-400用 テフロンシート 5枚入

●適応機種:HS-400 ●入数:5本入
品番
64-6211-04
販売価格(税込)
2,641円
出荷予定日
通常99営業日 メーカーの事情により発送日が遅れる場合がございます。
詳細を見る
数量:
アクリル曲げヒーター

太洋電機産業(goot)

アクリル曲げヒーター

●アクリル板をむらなく加工してきれいに曲げることができます。 ●アクリル板の曲げ加工専用ヒーターです。 ●位置決めプレートとゲージ付でアクリル板の保持、折り曲げ位置決めが容易にできます。 ●アクリル板の曲げ加工専用ヒーター。 ●熱硬化性樹脂(フェノール、メラニン、エポキシ樹脂)は曲げ加工できません。
●電源(V):AC100 ●消費電力(W):65 ●電源コード長さ(m):1.5 ●最大折り曲げ幅(mm):400 ●幅(mm):640 ●奥行(mm):500 ●高さ(mm):60 ●最高温度(℃):220 ●ゲージ設定寸法(mm):70~450 ●コード(m):1.5 ●サーモスタット:なし ●最大折り曲げ幅:400mm ●材質/仕上:ヒーター/シースヒーター ●熱硬化樹脂(フェノール、メラニン、エポキシ樹脂)は曲げ加工できません。 ●温度調整機能は付いていません。温度調整を行う際は、別売のパワーコントローラー(PC-11)をご使用ください。 ●温度調整を行う際は、別売のパワーコントローラー(PC-11)をご使用ください。 ●原産国:日本 ●コード番号:468-6781
品番
62-2502-87
販売価格(税込)
33,396円
出荷予定日
通常5営業日 メーカーの事情により発送日が遅れる場合がございます。
詳細を見る
数量:
USB接続発泡スチロールカッター

太洋電機産業(goot)

USB接続発泡スチロールカッター

●USBから電源がとれる発泡スチロールカッターです。 ●グリップの先端を回転させ作業にあった形状で使用可能です。 ●切断面は滑らかなため、ヤスリ掛けなどの後処理が不要です。 ●市販のモバイルバッテリーを接続すれば持ち運び可能です。 ●発泡スチロールの切断、模様切りに。
●電源(V):5 ●消費電力(W):5 ●カッター有効長(mm):75 ●切断深度(mm):50 ●最高温度(℃):200 ●RoHS対応品 ●切断能力:発泡スチロール(厚さ40mm)100mm切断に約7秒 ●セット内容/付属品:弓型アタッチメントSC-5AP×1、棒型アタッチメントSC-5AI×1、ニクロム線×1 ●本機をパソコン本体及びパソコンに接続したUSBハブ等で使用しないでください。 ●パソコン本体及び内蔵機器や接続機器の動作が不安定になる恐れがあります。 ●また、パソコンに接続して生じた損害については当社は一切責任を負いません。 ●USBアダプタは付属しません。 ●定格出力1A以上を安定に供給でき、供給がUSB2.0以下のUSB電源アダプタをご利用ください。 ●原産国:中国 ●コード番号:147-8181
品番
63-9585-99
販売価格(税込)
3,744円
出荷予定日
通常5営業日 メーカーの事情により発送日が遅れる場合がございます。
詳細を見る
数量:
USBはんだこて

太洋電機産業(goot)

USBはんだこて

●グリップ先端を回転させ、作業に適したグリップ形状でお使いいただけます。 ●通電状態を確認できるLEDランプがついています。 ●立ち上がりの温度は、350℃到達に約35秒、450℃到達に約65秒です。 ●RoHS対応品です。 ●はんだ付けに。
●電源(V):5 ●消費電力(W):5 ●最高温度(℃):約500 ●付属コテ先:MSD-5HRT-D ●全長(mm):150 ●先端形状:D型 ●USBコネクト(電源アダプタ付属なし) ●セット内容/付属品:こて台、こて先 MSD-5HRT-D ●注意:本機をパソコン本体及びパソコンに接続したUSBハブ等で使用しないでください。パソコン本体及び内蔵機器や接続機器の動作が不安定になる恐れがあります。また、パソコンに接続して生じた損害についてメーカーは一切責任を負いません。 ●原産国:中国 ●コード番号:147-8182
品番
63-9531-70
販売価格(税込)
2,125円
出荷予定日
通常5営業日 メーカーの事情により発送日が遅れる場合がございます。
詳細を見る
数量:
SS-80AS用 プレフィルター 5個入り

太洋電機産業(goot)

SS-80AS用 プレフィルター 5個入り

●SS-80AS用プレフィルター5個入です。 ●SS-82AS用交換部品に。
●幅×奥行×厚さ(mm):177×365×57 ●SS-80AS用 ●原産国:中国 ●コード番号:153-2907
品番
63-9604-12
販売価格(税込)
2,449円
出荷予定日
通常5営業日 メーカーの事情により発送日が遅れる場合がございます。
詳細を見る
数量:
ホットスティック 白色 1セット(12本入)

太洋電機産業(goot)

ホットスティック 白色 1セット(12本入)

●業務用ホットボンドHB-80用補充ホットスティックです。 ●紙・木・革・プラスチック・金属等の接着。 ●ホットスティック1本のサイズはφ11mmです。 ●業務用ホットボンド専用スティック12本入りです。 ●RoHS対応品です。
●スティックサイズ:径11×200mm ●色:白 ●適合機種:HB-80 ●重量:約230g ●12本入 ●材質1:エチレン酢酸ビニル共重合体45~55パーセント ●材質2:炭化水素系樹脂40~45パーセント ●材質3:ワックス5~10パーセント・顔料1パーセント ●注意事項1:※加熱溶融したものに接触すると、熱傷を起こすことがあります。
品番
62-4022-72
販売価格(税込)
993円
出荷予定日
通常5営業日 メーカーの事情により発送日が遅れる場合がございます。
詳細を見る
数量:
電池式コードレスはんだこて 本体

太洋電機産業(goot)

電池式コードレスはんだこて 本体

●電源の無い場所やガス式の使用できない工場内でも使用可能です。 ●充電式電池も使用可能です。 ●約15秒で350℃まで到達するため、すぐに作業できます。 ●2段階スイッチおよびキャップでスイッチがロックされるため、持ち運び時も安全です。
●仕様:本体 ●サイズ(mm):180×40×25 ●こて先温度:450℃以上 ●電源:単3乾電池×3本(別売) ●連続使用時間:アルカリ乾電池使用時/約40分、ニッケル水素充電池使用時/約60分 ●LEDライト付 ●重量:52g(乾電池除く) ●付属品:こて先(MSD-20HRT-B)、こて先取り外し工具
品番
3-8475-01
販売価格(税込)
2,542円
出荷予定日
16時までの注文で当日発送
(休業日は翌営業日発送)
通常3営業日 メーカーの事情により発送日が遅れる場合がございます。
詳細を見る
数量:
替こて先ホットナイフGP501用

太洋電機産業(goot)

替こて先ホットナイフGP501用

●適合機種:GP-501 ●こて先幅(mm):9 ●GP-501用替えこて先 ●材質/仕上: ●原産国:アイルランド ●コード番号:468-6675
品番
62-3397-02
販売価格(税込)
1,619円
出荷予定日
通常5営業日 メーカーの事情により発送日が遅れる場合がございます。
詳細を見る
数量:
替セラミックヒーター(PX-501/601用)

太洋電機産業(goot)

替セラミックヒーター(PX-501/601用)

●適合機種:PX-501・601 ●消費電力:
品番
64-6211-32
販売価格(税込)
1,639円
出荷予定日
通常99営業日 メーカーの事情により発送日が遅れる場合がございます。
詳細を見る
数量:
家庭用ハンダゴテ (こて先温度:545度)

太洋電機産業(goot)

家庭用ハンダゴテ (こて先温度:545度)

●家庭用はんだこてです(板金から電気部品のはんだ付けまで対応)。 ●家庭用100Wはんだこて。 ●大熱容量型なので板金・電気部品のはんだ付けなど幅広くお使い頂けます。 ●熱伝導のよい銅こて先付きです。 ●RoHS対応品です。 ●平型ヒーターで、こて先は大きく設計してありますので、充分な蓄熱があり接合面の小さいものから大きいものまで幅広く楽にはんだ付けができます。 ●銅こて先を使用していますので、こて先の加工がヤスリで簡単にできます。
●消費電力:100W ●こて先温度:545度 ●サイズ:290mm ●重量:155g ●サイズ:奥行290mm×幅30mm×高さ30mm
品番
62-4022-61
販売価格(税込)
2,209円
出荷予定日
通常5営業日 メーカーの事情により発送日が遅れる場合がございます。
詳細を見る
数量:
家庭用ハンダゴテ (こて先温度:540度)

太洋電機産業(goot)

家庭用ハンダゴテ (こて先温度:540度)

●家庭用はんだこてです(板金から電気部品のはんだ付けまで対応)。 ●家庭用80Wはんだこて。 ●大熱容量型なので板金・電気部品のはんだ付けなど幅広くお使い頂けます。 ●熱伝導のよい銅こて先付きです。 ●RoHS対応品です。 ●平型ヒーターで、こて先は大きく設計してありますので、充分な蓄熱があり接合面の小さいものから大きいものまで幅広く楽にはんだ付けができます。 ●銅こて先を使用していますので、こて先の加工がヤスリで簡単にできます。
●消費電力:80W ●こて先温度:540度 ●サイズ:280mm ●重量:110g ●サイズ:奥行290mm×幅50mm×高さ30mm
品番
62-4022-60
販売価格(税込)
2,027円
出荷予定日
通常5営業日 メーカーの事情により発送日が遅れる場合がございます。
詳細を見る
数量:
鉛フリーはんだ対応温調はんだこて

太洋電機産業(goot)

鉛フリーはんだ対応温調はんだこて

●鉛フリーはんだ対応ステーション型温調はんだこて ●150W高出力ヒーター ●クラス最速の温度立ち上がり ●工具いらずの簡単こて先交換 ●鉛フリー対応の鉄メッキ厚 ●優れた熱回復力 ●スリー機能搭載
●電源(V):AC100 ●消費電力(W):160 ●ヒーター容量(W):150 ●付属コテ先:なし ●幅(mm):194 ●奥行(mm):116 ●高さ(mm):105 ●制御温度(℃):50~450 ●質量(kg):5.1
品番
61-4484-62
販売価格(税込)
63,908円
出荷予定日
通常5営業日 メーカーの事情により発送日が遅れる場合がございます。
詳細を見る
数量:
スタンドルーペ クリップ・サポ

太洋電機産業(goot)

スタンドルーペ クリップ・サポ

●カバー付きクリップで対象物をホールドします。
●倍率:約2× ●★入数:1台 ●レンズ:φ60mmガラス製レンズ ●クリップ先端部:最大開口幅12mm ●固定物対象目安:5~145mm ●サイズ:110×130×105mm ●ベースサイズ:50×50mm ●重量:460g
品番
4-5386-01
販売価格(税込)
2,598円
出荷予定日
通常5営業日 メーカーの事情により発送日が遅れる場合がございます。
詳細を見る
数量:
リストストラップ 静電気対策 アース線2.8m

太洋電機産業(goot)

リストストラップ 静電気対策 アース線2.8m

●人体へ帯電した静電気を除去し、半導体へのダメージを軽減します。バンドの長さを調節できます。
●内容:リストストラップ・コード長:2.8m・バンド幅:20mm・コード被覆材質:ポリウレタン・使用抵抗値:1MΩ
品番
63-3193-68
販売価格(税込)
2,419円
出荷予定日
通常99営業日 メーカーの事情により発送日が遅れる場合がございます。
詳細を見る
数量:
ラジオペンチ 150mm

太洋電機産業(goot)

ラジオペンチ 150mm

●最大切断直径(銅線):φ1.2mm ●重量:80g ●全長:155mm ●バネ付です。 ●RoHS対応
品番
64-6212-28
販売価格(税込)
3,127円
出荷予定日
通常99営業日 メーカーの事情により発送日が遅れる場合がございます。
詳細を見る
数量:
ラジオペンチ 125mm

太洋電機産業(goot)

ラジオペンチ 125mm

●最大切断直径(銅線):φ1.0mm ●重量:70g ●全長:140mm ●バネ付です。 ●RoHS対応
品番
64-6212-27
販売価格(税込)
2,966円
出荷予定日
通常99営業日 メーカーの事情により発送日が遅れる場合がございます。
詳細を見る
数量:
ラジオペンチ 124mm

太洋電機産業(goot)

ラジオペンチ 124mm

●最大切断直径(鉄線):φ1.0mm ●全長:124mm ●RoHS対応
品番
64-6212-26
販売価格(税込)
2,874円
出荷予定日
通常99営業日 メーカーの事情により発送日が遅れる場合がございます。
詳細を見る
数量:
精密ニッパー ホビー用工具

太洋電機産業(goot)

精密ニッパー ホビー用工具

●最大切断直径(銅線):φ1.0mm ●重量:60g ●全長:120mm ●バネ付です。 ●RoHS対応
品番
64-6212-25
販売価格(税込)
3,127円
出荷予定日
通常99営業日 メーカーの事情により発送日が遅れる場合がございます。
詳細を見る
数量:
精密ニッパー フラットICカット専用

太洋電機産業(goot)

精密ニッパー フラットICカット専用

●最大切断直径:(φ)0.6 ●カット形状:フラット(ICカット専用) ●全長;(mm)135 ●フラットIC等の取り外し作業時に使用する足切り専用ニッパー。通常のニッパー類の握り方に対して裏返しに握り、刃先水平面をフラットICチップの向こう側側面に沿わせて足をカットします。
品番
64-6212-21
販売価格(税込)
4,807円
出荷予定日
通常99営業日 メーカーの事情により発送日が遅れる場合がございます。
詳細を見る
数量:
WS-12用カールコード

太洋電機産業(goot)

WS-12用カールコード

●内容:WS-12用カールコード・概要1:適応機種:WS-12
品番
64-6212-20
販売価格(税込)
1,781円
出荷予定日
通常99営業日 メーカーの事情により発送日が遅れる場合がございます。
詳細を見る
数量:
WS-11/12用ワニグチクリップ

太洋電機産業(goot)

WS-11/12用ワニグチクリップ

●内容:WS-11/12用ワニグチクリップ・概要1:適応機種:WS-11/WS-12
品番
64-6212-19
販売価格(税込)
134円
出荷予定日
通常99営業日 メーカーの事情により発送日が遅れる場合がございます。
詳細を見る
数量:
WS-11用カールコード

太洋電機産業(goot)

WS-11用カールコード

●内容:WS-11用カールコード・概要1:適応機種:WS-11
品番
64-6212-18
販売価格(税込)
1,285円
出荷予定日
通常99営業日 メーカーの事情により発送日が遅れる場合がございます。
詳細を見る
数量:
替スペーサー TP-100用

太洋電機産業(goot)

替スペーサー TP-100用

●適合機種:TP-100/CE用
品番
64-6212-03
販売価格(税込)
465円
出荷予定日
通常99営業日 メーカーの事情により発送日が遅れる場合がございます。
詳細を見る
数量:
替銅こて先 φ6-8×90mm

太洋電機産業(goot)

替銅こて先 φ6-8×90mm

●適合機種:SR-100 ●こて先タイプ:B型 ●こて先径:Φ6-8 ●RoHS対応
品番
64-6211-95
販売価格(税込)
739円
出荷予定日
通常99営業日 メーカーの事情により発送日が遅れる場合がございます。
詳細を見る
数量:
替銅こて先 φ6-7×85mm

太洋電機産業(goot)

替銅こて先 φ6-7×85mm

●適合機種:SR-80 ●こて先タイプ:B型 ●こて先径:Φ6-7 ●RoHS対応
品番
64-6211-94
販売価格(税込)
508円
出荷予定日
通常99営業日 メーカーの事情により発送日が遅れる場合がございます。
詳細を見る
数量:
替銅こて先 φ19×140mm

太洋電機産業(goot)

替銅こて先 φ19×140mm

●適合機種:HP-300 ●こて先タイプ:A型 ●こて先径:Φ19 ●RoHS対応
品番
64-6211-93
販売価格(税込)
6,527円
出荷予定日
通常99営業日 メーカーの事情により発送日が遅れる場合がございます。
詳細を見る
数量:
はんだ除去 サービスステーション 鉛フリー対応

太洋電機産業(goot)

はんだ除去 サービスステーション 鉛フリー対応

●定格電圧 :100V(AC 50/60Hz) ●消費電力 :吸取器 125W、はんだこて 70W ●温度設定範囲 :吸取器 250~450℃/はんだこて 200~480℃ ●ヒーター :センサー内蔵型セラミックヒーター ●温度制御方式 :センサーフィードバックON-OFF制御 ●絶縁抵抗 :100MΩ以上(500V DC) ●真空発生方式 :ダイヤフラム方式 ●到達真空度 :-0.08Mpa(-600mmHg)代表値 ●サイズ :本体 205(W)×160(L)×170(H)mm/吸取器部 220×155mm/はんだこて部 190mm ●重量 :本体 3.6kg(コード、ホース除く)/吸取器部 300g/はんだこて部 45g/総重量 約4.0kg ●リーク電圧 :2mV以下 ●アース抵抗 :2Ω以下 ●接続コード/ホース長 :1.2m ●電源コード :3芯コード1.5m(アースピンプラグ付) ●付属品 :クリーニングピン(φ1.3)/こて台ST-76 ●備考 :静電対策 ●<はんだこて部>センサー内蔵型セラミックヒーター:温度立ち上がりが早く熱回復力に優れ、こて先温度が安定します。 ●自由な温度設定:フラットICから熱負荷の大きいターミナルやコネクタのはんだ付けにも広く対応します。 ●ヒーターON-OFF制御はゼロボルトスイッチング回路を採用。ノイズを低減します。<吸取部>開放弁機構を吸取器内部に組み込むことにより、約0.1秒で-0.06MPa(約-450mmHg)の真空度に達する立ち上がり速度を実現します。(SVS500ASと比較して4倍) ●RoHS対応
品番
64-6211-90
販売価格(税込)
118,404円
出荷予定日
通常99営業日 メーカーの事情により発送日が遅れる場合がございます。
詳細を見る
数量:
SS-80AS用ミドルフィルター(HEPA)

太洋電機産業(goot)

SS-80AS用ミドルフィルター(HEPA)

●適用機種SS-80ASシリーズ
品番
64-6211-85
販売価格(税込)
8,744円
出荷予定日
通常99営業日 メーカーの事情により発送日が遅れる場合がございます。
詳細を見る
数量:
SC-10用交換ニクロム線 (6本入)

太洋電機産業(goot)

SC-10用交換ニクロム線 (6本入)

●発泡スチロールカッターSC-10用の交換部品です。
品番
64-6211-74
販売価格(税込)
779円
出荷予定日
通常99営業日 メーカーの事情により発送日が遅れる場合がございます。
詳細を見る
数量:
SC-10用弓型アタッチメント

太洋電機産業(goot)

SC-10用弓型アタッチメント

●発泡スチロールカッターSC-10用のアタッチメントです。
品番
64-6211-73
販売価格(税込)
1,740円
出荷予定日
通常99営業日 メーカーの事情により発送日が遅れる場合がございます。
詳細を見る
数量:
SC-10用棒型アタッチメント

太洋電機産業(goot)

SC-10用棒型アタッチメント

●発泡スチロールカッターSC-10用のアタッチメントです。
品番
64-6211-72
販売価格(税込)
1,164円
出荷予定日
通常99営業日 メーカーの事情により発送日が遅れる場合がございます。
詳細を見る
数量:
替セラミックヒーター

太洋電機産業(goot)

替セラミックヒーター

●適合機種:RX-701・711 ●消費電力:
品番
64-6211-56
販売価格(税込)
1,933円
出荷予定日
通常99営業日 メーカーの事情により発送日が遅れる場合がございます。
詳細を見る
数量:
替こて先段付φ6-8×90mm D型

太洋電機産業(goot)

替こて先段付φ6-8×90mm D型

●適合機種:KS-100R/SR-100 ●こて先タイプ:D型 ●こて先径:Φ6-8 ●RoHS対応
品番
64-6211-54
販売価格(税込)
1,458円
出荷予定日
通常99営業日 メーカーの事情により発送日が遅れる場合がございます。
詳細を見る
数量:
替こて先段付φ6-8×90mm B型

太洋電機産業(goot)

替こて先段付φ6-8×90mm B型

●適合機種:KS-100R/SR-100 ●こて先タイプ:B型 ●こて先径:Φ6-8 ●RoHS対応
品番
64-6211-52
販売価格(税込)
1,144円
出荷予定日
通常99営業日 メーカーの事情により発送日が遅れる場合がございます。
詳細を見る
数量:
替こて先段付φ6-7×85mm D型

太洋電機産業(goot)

替こて先段付φ6-7×85mm D型

●適合機種:KS-80R/SR-80 ●こて先タイプ:D型 ●こて先径:Φ6-7 ●RoHS対応
品番
64-6211-51
販売価格(税込)
1,184円
出荷予定日
通常99営業日 メーカーの事情により発送日が遅れる場合がございます。
詳細を見る
数量:
替こて先段付φ6-7×85mm C型

太洋電機産業(goot)

替こて先段付φ6-7×85mm C型

●適合機種:KS-80R/SR-80 ●こて先タイプ:C型 ●こて先径:Φ6-7 ●RoHS対応
品番
64-6211-50
販売価格(税込)
1,184円
出荷予定日
通常99営業日 メーカーの事情により発送日が遅れる場合がございます。
詳細を見る
数量:
替こて先段付φ6-7×85mm B型

太洋電機産業(goot)

替こて先段付φ6-7×85mm B型

●適合機種:KS-80R/SR-80 ●こて先タイプ:B型 ●こて先径:Φ6-7 ●RoHS対応
品番
64-6211-49
販売価格(税込)
1,002円
出荷予定日
通常99営業日 メーカーの事情により発送日が遅れる場合がございます。
詳細を見る
数量:
替こて先 RT型 PX-60RTシリーズ

太洋電機産業(goot)

替こて先 RT型 PX-60RTシリーズ

●適合機種:RX-711AS PH/RX-701AS/RX-711AS/PX-501(AS)/PX-601(AS)/CXR-31/CXR-41 ●こて先タイプ: ●こて先径:φ4.2×2 ●RoHS対応
品番
64-6211-44
販売価格(税込)
1,518円
出荷予定日
通常99営業日 メーカーの事情により発送日が遅れる場合がございます。
詳細を見る
数量:
替こて先 3K型 PX-60RTシリーズ

太洋電機産業(goot)

替こて先 3K型 PX-60RTシリーズ

●適合機種:PX-501/601 ●こて先タイプ:3K型 ●こて先径:
品番
64-6211-41
販売価格(税込)
1,639円
出荷予定日
通常99営業日 メーカーの事情により発送日が遅れる場合がございます。
詳細を見る
数量:
替こて先 1.8H型 PX-60RTシリーズ

太洋電機産業(goot)

替こて先 1.8H型 PX-60RTシリーズ

●適合機種:RX-711AS PH/RX-701AS/RX-711AS/PX-501(AS)/PX-601(AS)/CXR-31/CXR-41 ●こて先タイプ: ●こて先径:1.2×3.5 ●RoHS対応
品番
64-6211-40
販売価格(税込)
1,174円
出荷予定日
通常99営業日 メーカーの事情により発送日が遅れる場合がございます。
詳細を見る
数量:
替はんだツボ 鋳鉄 POT-50C用

太洋電機産業(goot)

替はんだツボ 鋳鉄 POT-50C用

●消費電力: ●制御温度: ●備考:POT-50C用替ツボ ●RoHS対応
品番
64-6211-27
販売価格(税込)
32,283円
出荷予定日
通常99営業日 メーカーの事情により発送日が遅れる場合がございます。
詳細を見る
数量:
替はんだツボ POT-400C用

太洋電機産業(goot)

替はんだツボ POT-400C用

●消費電力: ●制御温度: ●備考:POT-400C交換用はんだツボ ●RoHS対応
品番
64-6211-26
販売価格(税込)
199,364円
出荷予定日
通常99営業日 メーカーの事情により発送日が遅れる場合がございます。
詳細を見る
数量:
角型はんだ槽 鋳鉄 200V 4KW

太洋電機産業(goot)

角型はんだ槽 鋳鉄 200V 4KW

●消費電力:3KW ●制御温度:350℃ ●備考: ●RoHS対応
品番
64-6211-23
販売価格(税込)
741,796円
出荷予定日
通常99営業日 メーカーの事情により発送日が遅れる場合がございます。
詳細を見る
数量:
ソルダーポット 130W 270-530℃ セラミック

太洋電機産業(goot)

ソルダーポット 130W 270-530℃ セラミック

●消費電力:130W ●制御温度:270℃~530℃ ●備考: ●RoHS対応
品番
64-6211-22
販売価格(税込)
117,392円
出荷予定日
通常99営業日 メーカーの事情により発送日が遅れる場合がございます。
詳細を見る
数量:
替ヒーター POT-200C/202C用

太洋電機産業(goot)

替ヒーター POT-200C/202C用

●消費電力:720W ●制御温度: ●備考:POT-200C/202C用替ヒーター ●RoHS対応
品番
64-6211-20
販売価格(税込)
73,775円
出荷予定日
通常99営業日 メーカーの事情により発送日が遅れる場合がございます。
詳細を見る
数量:
替ヒーター POT-100C/102C用

太洋電機産業(goot)

替ヒーター POT-100C/102C用

●消費電力:440W ●制御温度: ●備考:POT-100C/102C用替ヒーター ●RoHS対応
品番
64-6211-16
販売価格(税込)
39,164円
出荷予定日
通常99営業日 メーカーの事情により発送日が遅れる場合がございます。
詳細を見る
数量:
ディッピング用基板ホルダー SUS製

太洋電機産業(goot)

ディッピング用基板ホルダー SUS製

●適用基板サイズ:最大250mm ●プリント基板をはんだ槽にディッピングする際、プリント基板を確実にホールドします。 ●RoHS対応
品番
64-6211-15
販売価格(税込)
3,846円
出荷予定日
通常99営業日 メーカーの事情により発送日が遅れる場合がございます。
詳細を見る
数量:
MSD-40用キャップ

太洋電機産業(goot)

MSD-40用キャップ

●電池式コードレスはんだこてMSD-40用のキャップです。
品番
64-6211-11
販売価格(税込)
436円
出荷予定日
通常99営業日 メーカーの事情により発送日が遅れる場合がございます。
詳細を見る
数量:
替ヒーター MI-6-6V用

太洋電機産業(goot)

替ヒーター MI-6-6V用

●適合機種:MI-6-6V ●消費電力:6W
品番
64-6211-10
販売価格(税込)
1,903円
出荷予定日
通常99営業日 メーカーの事情により発送日が遅れる場合がございます。
詳細を見る
数量:
替ニクロムヒーター MI-6-12V用

太洋電機産業(goot)

替ニクロムヒーター MI-6-12V用

●適合機種:MI-6-12V ●消費電力:6W
品番
64-6211-09
販売価格(税込)
1,903円
出荷予定日
通常99営業日 メーカーの事情により発送日が遅れる場合がございます。
詳細を見る
数量:
替こて先 ローラ型 50W

太洋電機産業(goot)

替こて先 ローラ型 50W

●適応機種:HS-50
品番
64-6211-07
販売価格(税込)
587円
出荷予定日
通常99営業日 メーカーの事情により発送日が遅れる場合がございます。
詳細を見る
数量:
替ニクロムヒーター 50W

太洋電機産業(goot)

替ニクロムヒーター 50W

●適応機種:HS-50
品番
64-6211-06
販売価格(税込)
810円
出荷予定日
通常99営業日 メーカーの事情により発送日が遅れる場合がございます。
詳細を見る
数量:
替ニクロムヒーター 40W HS-40用

太洋電機産業(goot)

替ニクロムヒーター 40W HS-40用

●適応機種:HS-40
品番
64-6211-05
販売価格(税込)
728円
出荷予定日
通常99営業日 メーカーの事情により発送日が遅れる場合がございます。
詳細を見る
数量:
替ヒーター 300W 5本入

太洋電機産業(goot)

替ヒーター 300W 5本入

●適応機種:HS-300 ●入数:5本入
品番
64-6210-99
販売価格(税込)
2,449円
出荷予定日
通常99営業日 メーカーの事情により発送日が遅れる場合がございます。
詳細を見る
数量:
ホットスティック φ11×300mm 5kg RS

太洋電機産業(goot)

ホットスティック φ11×300mm 5kg RS

●色:透明 ●入数:約160本 ●サイズ:Φ11×300mm ●RoHS対応
品番
64-6210-88
販売価格(税込)
50,094円
出荷予定日
通常99営業日 メーカーの事情により発送日が遅れる場合がございます。
詳細を見る
数量:
替ヒーター HA-400用

太洋電機産業(goot)

替ヒーター HA-400用

●適応機種:HA-400H
品番
64-6210-87
販売価格(税込)
11,537円
出荷予定日
通常99営業日 メーカーの事情により発送日が遅れる場合がございます。
詳細を見る
数量:
替こて先 4.8C型 GP-510対応

太洋電機産業(goot)

替こて先 4.8C型 GP-510対応

●適合機種:GP-510 ●こて先タイプ:4.8C型 ●こて先径:Φ4.8
品番
64-6210-86
販売価格(税込)
2,196円
出荷予定日
通常99営業日 メーカーの事情により発送日が遅れる場合がございます。
詳細を見る
数量:
替こて先 3.2C型 GP-510対応

太洋電機産業(goot)

替こて先 3.2C型 GP-510対応

●適合機種:GP-510 ●こて先タイプ: ●こて先径:Φ3.2
品番
64-6210-85
販売価格(税込)
2,196円
出荷予定日
通常99営業日 メーカーの事情により発送日が遅れる場合がございます。
詳細を見る
数量:
替こて先 C型 GP-501用

太洋電機産業(goot)

替こて先 C型 GP-501用

●適合機種:GP-501 ●こて先タイプ: ●こて先径:Φ4.8
品番
64-6210-84
販売価格(税込)
2,196円
出荷予定日
通常99営業日 メーカーの事情により発送日が遅れる場合がございます。
詳細を見る
数量:
替こて先 CU型 GP-101S対応

太洋電機産業(goot)

替こて先 CU型 GP-101S対応

●適合機種:GP-101S ●こて先タイプ: ●こて先径:Φ7
品番
64-6210-82
販売価格(税込)
1,913円
出荷予定日
通常99営業日 メーカーの事情により発送日が遅れる場合がございます。
詳細を見る
数量:
FD-180用V溝ユニット(φ1.6はんだ用)

太洋電機産業(goot)

FD-180用V溝ユニット(φ1.6はんだ用)

●FD-180用のV溝ユニットです。
●はんだ径:1.6mm対応
品番
64-6210-81
販売価格(税込)
44,427円
出荷予定日
通常99営業日 メーカーの事情により発送日が遅れる場合がございます。
詳細を見る
数量:
FD-180用V溝ユニット(φ1.2はんだ用)

太洋電機産業(goot)

FD-180用V溝ユニット(φ1.2はんだ用)

●FD-180用のV溝ユニットです。
●はんだ径:1.2mm対応
品番
64-6210-80
販売価格(税込)
44,427円
出荷予定日
通常99営業日 メーカーの事情により発送日が遅れる場合がございます。
詳細を見る
数量:
FD-180用V溝ユニット(φ1.0はんだ用)

太洋電機産業(goot)

FD-180用V溝ユニット(φ1.0はんだ用)

●FD-180用のV溝ユニットです。
●はんだ径:1.0mm対応
品番
64-6210-79
販売価格(税込)
44,427円
出荷予定日
通常99営業日 メーカーの事情により発送日が遅れる場合がございます。
詳細を見る
数量:
FD-180用V溝ユニット(φ0.8はんだ用)

太洋電機産業(goot)

FD-180用V溝ユニット(φ0.8はんだ用)

●FD-180用のV溝ユニットです。
●はんだ径:0.8mm対応
品番
64-6210-78
販売価格(税込)
44,427円
出荷予定日
通常99営業日 メーカーの事情により発送日が遅れる場合がございます。
詳細を見る
数量:
FD-180用V溝ユニット(φ0.6/0.65はんだ用)

太洋電機産業(goot)

FD-180用V溝ユニット(φ0.6/0.65はんだ用)

●FD-180用のV溝ユニットです。
●はんだ径:0.6/0.65mm対応
品番
64-6210-77
販売価格(税込)
44,427円
出荷予定日
通常99営業日 メーカーの事情により発送日が遅れる場合がございます。
詳細を見る
数量:
FD-180用フィーダーグリップ(φ1.2~1.6はんだ用)

太洋電機産業(goot)

FD-180用フィーダーグリップ(φ1.2~1.6はんだ用)

●FD-180用のフィーダーグリップです。
●はんだ径:1.2~1.6mm対応
品番
64-6210-76
販売価格(税込)
16,293円
出荷予定日
通常99営業日 メーカーの事情により発送日が遅れる場合がございます。
詳細を見る
数量:
FD-180用フィーダーグリップ(φ0.6~1.0はんだ用)

太洋電機産業(goot)

FD-180用フィーダーグリップ(φ0.6~1.0はんだ用)

●FD-180用のフィーダーグリップです。
●はんだ径:0.6~1.0mm対応
品番
64-6210-75
販売価格(税込)
16,293円
出荷予定日
通常99営業日 メーカーの事情により発送日が遅れる場合がございます。
詳細を見る
数量:
V溝加工機能付きデジタルはんだ送り装置

太洋電機産業(goot)

V溝加工機能付きデジタルはんだ送り装置

●はんだ送り量やはんだ付け時間の管理、外部装置との連動が可能なデジタルはんだ送り装置
●タッチパネルで日本語数値入力ができ、直感的な操作が可能なデジタルはんだ送り装置です。はんだ送り量や時間のデジタル管理を行うことができます。はんだにV溝加工を行うことで、はんだ内部にあるフラックスのガスが逃げやすくなり、不良原因となる「はんだやフラックスの飛散」を軽減することができます。 ●外部入出力コントロール端子あり ●φ0.6-φ1.6鉛フリーはんだ対応 ●はんだ詰まりの少ないストレート送り ●本体/タッチパネル分離可能 ●※フィーダーグリップ、V溝ユニット、ノズルは別売です。 ●※写真のはんだは、製品に含まれていません。  ●V溝加工機能あり ●定格電圧100-240V AC 50/60Hz (フリー電源) ●消費電力20W ●電源コード1.5m (インレット3芯コード) ●対応はんだφ0.6/0.8/1.0/1.2/1.6(鉛フリーはんだ対応) ●はんだ送り速度1~50mm/sec ●はんだ送り量400mm(max) ●はんだ戻し速度1~50mm/ sec ●はんだ戻し量30mm(max ) ●プログラム数最大30プログラム ●はんだ送り条件1プログラムにつき最大30種類 ●対応言語日本語/英語/中国語 ●サイズはんだ送り部100 (W) × 270 (H) × 163 (D) mm ●タッチパネル部153 (W) × 125 (H) × 72 (D) mm ●重量はんだ送り部2.8kg (コード除く) ●タッチパネル部1.0kg (コード除く) ●RoHS対応
品番
64-6210-74
販売価格(税込)
216,568円
出荷予定日
通常99営業日 メーカーの事情により発送日が遅れる場合がございます。
詳細を見る
数量:
はんだ吸取線(幅1.0mm、1.5m)

太洋電機産業(goot)

はんだ吸取線(幅1.0mm、1.5m)

●鉛フリーはんだ対応の吸取線
●RMA対応フラックスを標準使用しています。銅の編組線に、非塩素系の特殊フラックスをしみこませたはんだ吸取線です。精密機器にも安心してご使用いただけます。 ●はんだ付けに失敗しても大丈夫。 ●これ一つあれば、はんだ除去作業を効率よく行えます。 ●鉛フリーはんだ除去作業に ●平らに編んだ吸取線は薄く柔らかいので基板になじみ、効率よく熱を伝えます。熱レスポンスが高く、従来品と比べてはんだが早く吸い取れるため、熱負荷の高い鉛フリーはんだにお勧めします。 ●様々な箇所のはんだ除去作業に ●線幅は1.0mmから3.5mmまで。用途によって使い分けできます。 ● 【仕様】 ●長さ約1.5m ●線幅約1.0mm ●ロジン ●非塩素系 (RMA) ●【動画:はんだ吸取線の使い方】 ●RoHS対応
品番
64-6210-65
販売価格(税込)
415円
出荷予定日
通常5営業日 メーカーの事情により発送日が遅れる場合がございます。
詳細を見る
数量:
キャップ付はんだごて 40W 出荷前点検検査書付

太洋電機産業(goot)

キャップ付はんだごて 40W 出荷前点検検査書付

●消費電力:40W ●こて先径:0.5mmφ ●ヒーター方式: ●備考:ストレート型/ガンタイプ ●RoHS対応
品番
64-6210-59-22
販売価格(税込)
17,366円
出荷予定日
通常15営業日 メーカーの事情により発送日が遅れる場合がございます。
詳細を見る
数量:
キャップ付はんだごて 40W

太洋電機産業(goot)

キャップ付はんだごて 40W

●消費電力:40W ●こて先径:0.5mmφ ●ヒーター方式: ●備考:ストレート型/ガンタイプ ●RoHS対応
品番
64-6210-59
販売価格(税込)
2,186円
出荷予定日
通常99営業日 メーカーの事情により発送日が遅れる場合がございます。
詳細を見る
数量:
ハイパワーコードレスはんだごて 出荷前点検検査書付

太洋電機産業(goot)

ハイパワーコードレスはんだごて 出荷前点検検査書付

●使いたい時にすぐ使えるコードレスはんだこて ●作業照明が用意できない車内配線や出張先でも快適にはんだ付け作業ができるLEDライト付。 ●工具不要で交換できるアタッチメント式こて先。急な電池切れによる作業中断を防ぐ電池切れお知らせランプ。 ●カバン、ポケットに入れて持ち運び可能なスイッチ切り忘れ防止器機能付き携帯キャップ付。なにかと便利なストラップ穴付。 ●電池4本式 ●アタッチメント式こて先 ●標準こて先B型
●使用電源:単3乾電池×4本(別売)充電式ニッケル水素電池使用可 ●消費電力:9W ●標準こて先:B型(MSD-40HRT-B) ●連続使用時間:アルカリ電池/約40分、ニッケル水素電池/約60分 ●最高使用温度:450℃以上 ●サイズ:全長222mm(キャップ除く) ●重量:68g(電池、キャップ除く)
品番
64-0977-43-22
販売価格(税込)
18,418円
出荷予定日
通常8営業日 メーカーの事情により発送日が遅れる場合がございます。
詳細を見る
数量:
精密ワイヤーストリッパー

太洋電機産業(goot)

精密ワイヤーストリッパー

●極細リード線の芯線を傷つけずに正確にカットします。 ●プライヤーとして又カッターとしても使用できます。 ●収納に便利なクローズドストッパー付です。 ●連続作業にも疲れないスプリング付です。
●全長(mm):167 ●適合電線(mm):0.8、1.0、1.3、1.6、2.0、2.6(芯線直径) ●色:黄色 ●ポリエチレン、ビニル電線専用です。 ●原産国:イタリア ●コード番号:468-7671
品番
63-9658-55
販売価格(税込)
2,783円
出荷予定日
通常5営業日 メーカーの事情により発送日が遅れる場合がございます。
詳細を見る
数量:
基板ミシン目カッター

太洋電機産業(goot)

基板ミシン目カッター

●静電対策として帯電防止グリップ使用になっています。 ●軽い力で切断でき、基板へのストレスが少ない構造になっています。 ●ベーク、紙エポキシ、ガラエポ(CEM-3)基板にお勧めします。 ●スリット型ミシン目基板の接続部(タブ)切断用。 ●ベーク、紙エポ、ガラエポ(CEM-3)の切断に。
●全長(mm):147 ●刃厚(mm):1.0 ●原産国:イタリア ●コード番号:147-8187
品番
63-9658-45
販売価格(税込)
8,096円
出荷予定日
通常5営業日 メーカーの事情により発送日が遅れる場合がございます。
詳細を見る
数量:
SS-80AS用 リモコン

太洋電機産業(goot)

SS-80AS用 リモコン

●SS-80AS用リモコンです。 ●SS-86AS用交換部品に。
●適合機種:SS-80AS ●幅×奥行×厚さ(mm):10×5×1 ●SS-80AS用 ●原産国:中国 ●コード番号:153-2914
品番
63-9604-13
販売価格(税込)
4,432円
出荷予定日
通常5営業日 メーカーの事情により発送日が遅れる場合がございます。
詳細を見る
数量:
SS-80AS用 ノズルフィルター

太洋電機産業(goot)

SS-80AS用 ノズルフィルター

●SS-80AS用ノズルフィルターです。 ●SS-88AS用交換部品に。
●適合機種:SS-80AS ●幅×奥行×厚さ(mm):97×169×8 ●SS-80AS用 ●原産国:中国 ●コード番号:153-2913
品番
63-9604-11
販売価格(税込)
2,907円
出荷予定日
通常5営業日 メーカーの事情により発送日が遅れる場合がございます。
詳細を見る
数量:
SS-80AS用 メインフィルター HEPA

太洋電機産業(goot)

SS-80AS用 メインフィルター HEPA

●SS-80AS用メインフィルターHEPAです。 ●SS-81AS用交換部品に。
●適合機種:SS-81AS ●幅×奥行×厚さ(mm):200×390×250 ●原産国:中国 ●コード番号:153-2905
品番
63-9604-09
販売価格(税込)
19,774円
出荷予定日
通常5営業日 メーカーの事情により発送日が遅れる場合がございます。
詳細を見る
数量:
SS-80AS用 メインフィルター 中性能

太洋電機産業(goot)

SS-80AS用 メインフィルター 中性能

●SS-80AS用メインフィルター中性能です。 ●SS-80AS用交換部品に。
●幅(mm):200 ●奥行(mm):390 ●高さ(mm):250 ●適合機種:SS-80AS ●幅×奥行×厚さ(mm):200×390×250 ●原産国:中国 ●コード番号:153-2909
品番
63-9604-08
販売価格(税込)
20,833円
出荷予定日
通常5営業日 メーカーの事情により発送日が遅れる場合がございます。
詳細を見る
数量:
SS-80AS用 ミドルフィルター 中性能

太洋電機産業(goot)

SS-80AS用 ミドルフィルター 中性能

●SS-80AS用ミドルフィルター中性能です。 ●SS-87AS用交換部品に。
●適合機種:SS-80AS ●幅×奥行×厚さ(mm):177×365×57 ●SS-80AS用 ●原産国:中国 ●コード番号:153-2906
品番
63-9604-07
販売価格(税込)
6,392円
出荷予定日
通常5営業日 メーカーの事情により発送日が遅れる場合がございます。
詳細を見る
数量:
SS-80AS用 ダクトホース

太洋電機産業(goot)

SS-80AS用 ダクトホース

●SS-80AS用ダクトホースです。 ●SS-84AS用交換部品に。
●寸法(φ×m):64×1.5 ●SS-80AS用 ●原産国:中国 ●コード番号:153-2910
品番
63-9604-06
販売価格(税込)
21,655円
出荷予定日
通常5営業日 メーカーの事情により発送日が遅れる場合がございます。
詳細を見る
数量:
SS-80AS用 キャップ

太洋電機産業(goot)

SS-80AS用 キャップ

●SS-80AS用キャップです。 ●SS-85AS用交換部品に。
●適合機種:SS-80AS ●寸法(φ×m):100×0.1 ●SS-80AS用 ●原産国:中国 ●コード番号:153-2912
品番
63-9604-05
販売価格(税込)
4,432円
出荷予定日
通常5営業日 メーカーの事情により発送日が遅れる場合がございます。
詳細を見る
数量:
吸煙器

太洋電機産業(goot)

吸煙器

●空気清浄式型ではんだ付け時に発生するヒュームを室内から除去します。 ●風量の10段階調節が可能です。 ●自立性の高いホースを採用し、延長・縮小も行えます。 ●はんだづけ現場の環境保全用。
●セット内容/付属品:本体 SS-80MF SS-80MDF SS-80PF SS-80NF SS-80D SS-80N ●原産国:中国 ●発注コード:153-2908
品番
63-9604-04
販売価格(税込)
151,729円
出荷予定日
通常5営業日 メーカーの事情により発送日が遅れる場合がございます。
詳細を見る
数量:
替弓型アタッチメント

太洋電機産業(goot)

替弓型アタッチメント

●カーブや細かい作業にお薦めです。 ●USB接続発泡スチロールカッター用オプションです。 ●発泡スチロールの切断に。
●有効切断寸法(mm)厚さ×奥行:80×200 ●幅(mm):(幅細部)約60mm、(幅広部)約80 ●品名:弓型アタッチメント ●適合機種:SC-5 ●長さ(mm):約220 ●長さ(mm):約220 ●ニクロム線30cm付 ●注意:やけどにご注意ください。無理な力を加えるとニクロム線が切れてしまう恐れがあります。無理な力を加えないでください。 ●原産国:中国 ●コード番号:147-8180
品番
63-9586-09
販売価格(税込)
1,092円
出荷予定日
通常5営業日 メーカーの事情により発送日が遅れる場合がございます。
詳細を見る
数量:
替棒型アタッチメント

太洋電機産業(goot)

替棒型アタッチメント

●軽く滑らかに切れます。 ●大きなデザインの作業などにお薦めです。 ●USB接続発泡スチロールカッター用オプションです。 ●発泡スチロールの切断、CM用のデザイン、芸術作品の創造、商業的なアートワークの開発等、趣味から仕事まで幅広い用途に。
●ヒーター線径:Φ1 ●適合機種:SC-5 ●品名:棒型アタッチメント ●長さ(mm):約65 ●長さ(mm):約65 ●注意:やけどにご注意ください。 ●原産国:中国 ●コード番号:147-8185
品番
63-9586-08
販売価格(税込)
700円
出荷予定日
通常5営業日 メーカーの事情により発送日が遅れる場合がございます。
詳細を見る
数量:
はんだこてRX-812AS用パーツ こて部

太洋電機産業(goot)

はんだこてRX-812AS用パーツ こて部

●グリップの最先端部を持つことのできるマイクロソルダリングにお勧めのこて部です。
●パーツ名:こて部 ●消費電力(W):72 ●電源(V):AC24 ●鉛フリーはんだ対応:〇 ●適合コテ:RX-812AS ●RX-8シリーズ用グリップカバー ●セット内容/付属品:こて部(RX-81GAS)、こて台(ST-22) ●原産国:日本 ●コード番号:113-1491
品番
63-9563-21
販売価格(税込)
5,933円
出荷予定日
通常5営業日 メーカーの事情により発送日が遅れる場合がございます。
詳細を見る
数量:
交換コテ先(RX-8シリーズ) こて先径3mm

太洋電機産業(goot)

交換コテ先(RX-8シリーズ) こて先径3mm

●RX8シリーズの交換こて先です。
●適合機種:RX-802、822、852AS ●コテ先名称:3.0mm ●品名:こて先 ●こて先径(mm):3 ●鉛フリーはんだ対応 ●ヒーター一体型 ●原産国:日本 ●コード番号:112-9933
品番
63-9563-20
販売価格(税込)
1,417円
出荷予定日
通常5営業日 メーカーの事情により発送日が遅れる場合がございます。
詳細を見る
数量:
交換コテ先(RX-8シリーズ) こて先径2mm

太洋電機産業(goot)

交換コテ先(RX-8シリーズ) こて先径2mm

●RX8シリーズの交換こて先です。
●適合機種:RX-802、822、852AS ●コテ先名称:2.0mm ●品名:こて先 ●こて先径(mm):2 ●鉛フリーはんだ対応 ●ヒーター一体型 ●原産国:日本 ●コード番号:112-9916
品番
63-9563-19
販売価格(税込)
1,417円
出荷予定日
通常5営業日 メーカーの事情により発送日が遅れる場合がございます。
詳細を見る
数量:
PX6・7/RX7/CXR用 替こて先 SI

太洋電機産業(goot)

PX6・7/RX7/CXR用 替こて先 SI

●適合機種:RX-701/711AS、PX-501/601、CXR-31/41用 ●コテ先名称:R0.2mm ●品名:替えこて先 ●こて先幅(mm):R0.2 ●コテ先径(mm):φ5.0 ●先端形状:I型 ●RX-701/711AS、PX-501/601、CXR-31/41用 ●原産国:日本 ●コード番号:849-8131
品番
63-9555-67
販売価格(税込)
620円
出荷予定日
通常5営業日 メーカーの事情により発送日が遅れる場合がございます。
詳細を見る
数量:
PX4用 替こて先 5D

太洋電機産業(goot)

PX4用 替こて先 5D

●適合機種:PX-401 ●コテ先名称:W5.0mm ●品名:替えこて先 ●こて先幅(mm):5 ●先端形状:D型 ●コテ先径:φ10mm ●グット 替こて先5D型PX4用 ●原産国:日本 ●コード番号:849-8117
品番
63-9555-66
販売価格(税込)
886円
出荷予定日
通常5営業日 メーカーの事情により発送日が遅れる場合がございます。
詳細を見る
数量:
PX2/SVS用 こて先 4D

太洋電機産業(goot)

PX2/SVS用 こて先 4D

●適合機種:PX-201/335/338/342 ●コテ先名称:W4.0mm ●品名:替えこて先 ●こて先幅(mm):4 ●コテ先径:φ5.5mm ●先端形状:D型 ●グット 替こて先4D型PX2/SVS用 ●原産国:日本 ●コード番号:849-8114
品番
63-9555-64
販売価格(税込)
620円
出荷予定日
通常5営業日 メーカーの事情により発送日が遅れる場合がございます。
詳細を見る
数量:
POT-50C用 替ヒーター

太洋電機産業(goot)

POT-50C用 替ヒーター

●消費電力(W):420 ●鉛フリーはんだ対応:〇 ●品名:替ヒーター ●適合機種:POT-50C ●POT-50C用替えヒーター ●原産国:日本 ●コード番号:112-8404
品番
63-9550-78
販売価格(税込)
1,619円
出荷予定日
通常5営業日 メーカーの事情により発送日が遅れる場合がございます。
詳細を見る
数量:
POT-28C用 替ツボ

太洋電機産業(goot)

POT-28C用 替ツボ

●品名:はんだツボ ●適合機種:POT-28C ●POT-28C用替えツボ ●POT用交換部品 ●原産国:日本 ●コード番号:113-1493
品番
63-9550-77
販売価格(税込)
7,438円
出荷予定日
通常5営業日 メーカーの事情により発送日が遅れる場合がございます。
詳細を見る
数量:
POT-21C用 替ツボ

太洋電機産業(goot)

POT-21C用 替ツボ

●槽寸法(mm)幅:36 ●槽寸法(mm)奥行:36 ●槽寸法(mm)高さ:36 ●品名:はんだツボ ●適合機種:POT-21C ●槽寸法(mm)内径×高さ:φ36×36 ●POT-21C用替えツボ ●POT用交換部品 ●原産国:日本 ●コード番号:112-8331
品番
63-9550-76
販売価格(税込)
1,123円
出荷予定日
通常5営業日 メーカーの事情により発送日が遅れる場合がございます。
詳細を見る
数量:
POT-21C用 替ヒーター

太洋電機産業(goot)

POT-21C用 替ヒーター

●消費電力(W):130 ●品名:替ヒーター ●適合機種:POT-21C ●POT-21C用替えヒーター ●原産国:日本 ●コード番号:112-9896
品番
63-9550-75
販売価格(税込)
3,631円
出荷予定日
通常5営業日 メーカーの事情により発送日が遅れる場合がございます。
詳細を見る
数量:
POT-203C用 替ツボ

太洋電機産業(goot)

POT-203C用 替ツボ

●鉛フリーはんだ対応:〇 ●品名:替えはんだツボ ●適合機種:POT-203C ●POT-203C用替えツボ ●POT用交換部品 ●原産国:日本 ●コード番号:112-8365
品番
63-9550-74
販売価格(税込)
74,888円
出荷予定日
通常5営業日 メーカーの事情により発送日が遅れる場合がございます。
詳細を見る
数量:
POT-200C用 替ツボ

太洋電機産業(goot)

POT-200C用 替ツボ

●品名:替えはんだツボ ●適合機種:POT-200C ●POT-220C用替えツボ ●POT用交換部品 ●原産国:日本 ●コード番号:112-8413
品番
63-9550-72
販売価格(税込)
26,312円
出荷予定日
通常5営業日 メーカーの事情により発送日が遅れる場合がございます。
詳細を見る
数量:
POT-103C用 替ヒーター

太洋電機産業(goot)

POT-103C用 替ヒーター

●本体寸法(mm)幅:500 ●本体寸法(mm)奥行:180 ●本体寸法(mm)高さ:13 ●品名:替えヒーター ●適合機種:POT-103C ●POT-103C用替えヒーターPOT ●原産国:日本 ●コード番号:112-9898
品番
63-9550-71
販売価格(税込)
8,602円
出荷予定日
通常5営業日 メーカーの事情により発送日が遅れる場合がございます。
詳細を見る
数量:
POT-103C用 替ヒーター

太洋電機産業(goot)

POT-103C用 替ヒーター

●本体寸法(mm)幅:160 ●本体寸法(mm)奥行:210 ●本体寸法(mm)高さ:13 ●品名:替ヒーター ●適合機種:POT-103C ●POT-103C用替えヒーターPOT ●原産国:日本 ●コード番号:112-9944
品番
63-9550-70
販売価格(税込)
14,168円
出荷予定日
通常5営業日 メーカーの事情により発送日が遅れる場合がございます。
詳細を見る
数量:
POT-100C用 替ツボ

太洋電機産業(goot)

POT-100C用 替ツボ

●品名:はんだツボ ●適合機種:POT-100C ●POT-100C用替えツボ ●POT用交換部品 ●材質/仕上げ:はんだ漕/ステンレス(SUS316) ●原産国:日本 ●コード番号:112-6819
品番
63-9550-69
販売価格(税込)
34,433円
出荷予定日
通常5営業日 メーカーの事情により発送日が遅れる場合がございます。
詳細を見る
数量:
MSD-5用 替えこて先

太洋電機産業(goot)

MSD-5用 替えこて先

●適合機種:MSD-5 ●こて先の長さ:45mm×Φ1.5 ●注意:使用時の火傷にご注意ください。 ●原産国:中国 ●コード番号:147-8186
品番
63-9531-73
販売価格(税込)
1,506円
出荷予定日
通常5営業日 メーカーの事情により発送日が遅れる場合がございます。
詳細を見る
数量:
MSD-5用 替えこて先

太洋電機産業(goot)

MSD-5用 替えこて先

●適合機種:MSD-5 ●こて先の長さ:45mm×Φ3.5 ●傾斜:45度 ●注意:使用時の火傷にご注意ください。 ●原産国:中国 ●コード番号:147-8179
品番
63-9531-72
販売価格(税込)
1,506円
出荷予定日
通常5営業日 メーカーの事情により発送日が遅れる場合がございます。
詳細を見る
数量:
MSD-5用 替えこて先

太洋電機産業(goot)

MSD-5用 替えこて先

●適合機種:MSD-5 ●こて先の長さ:45mm×Φ3.5 ●注意:使用時の火傷にご注意ください。 ●原産国:中国 ●コード番号:147-8183
品番
63-9531-71
販売価格(税込)
1,506円
出荷予定日
通常5営業日 メーカーの事情により発送日が遅れる場合がございます。
詳細を見る
数量:
USBはんだこて 出荷前点検検査書付

太洋電機産業(goot)

USBはんだこて 出荷前点検検査書付

●グリップ先端を回転させ、作業に適したグリップ形状でお使いいただけます。 ●通電状態を確認できるLEDランプがついています。 ●立ち上がりの温度は、350℃到達に約35秒、450℃到達に約65秒です。 ●RoHS対応品です。 ●はんだ付けに。 ●本機をパソコン本体及びパソコンに接続したUSBハブ等で使用しないでください。 ●パソコン本体及び内蔵機器や接続機器の動作が不安定になる恐れがあります。 ●また、パソコンに接続して生じた損害について当社は一切責任を負いません。
●電源(V):5 ●消費電力(W):5 ●最高温度(℃):約500 ●付属コテ先:MSD-5HRT-D ●全長(mm):150 ●先端形状:D型 ●USBコネクト(電源アダプタ付属なし) ●セット内容/付属品:こて台、こて先 MSD-5HRT-D ●注意:本機をパソコン本体及びパソコンに接続したUSBハブ等で使用しないでください。パソコン本体及び内蔵機器や接続機器の動作が不安定になる恐れがあります。また、パソコンに接続して生じた損害についてメーカーは一切責任を負いません。 ●原産国:中国 ●コード番号:147-8182
品番
63-9531-70-22
販売価格(税込)
17,305円
出荷予定日
通常9営業日 メーカーの事情により発送日が遅れる場合がございます。
詳細を見る
数量:
替ヒーター 80W

太洋電機産業(goot)

替ヒーター 80W

●家庭用からホビー用まで ●板金から電気部品のはんだ付けまで対応 ●はんだこてBN-80用替ヒーター
●高さ:170mm×幅:55mm×奥行:0.5mm
品番
63-5466-03
販売価格(税込)
547円
出荷予定日
通常99営業日 メーカーの事情により発送日が遅れる場合がございます。
詳細を見る
数量:
替ヒーター 60W

太洋電機産業(goot)

替ヒーター 60W

●家庭用からホビー用まで ●板金から電気部品のはんだ付けまで対応 ●はんだこてBN-60用替ヒーター
●高さ:165mm×幅:60mm×奥行:0.5mm
品番
63-5466-02
販売価格(税込)
436円
出荷予定日
通常99営業日 メーカーの事情により発送日が遅れる場合がございます。
詳細を見る
数量:
替銅こて先

太洋電機産業(goot)

替銅こて先

●家庭用からホビー用まで ●板金から電気部品のはんだ付けまで対応
●はんだこてBN-100用替銅こて先
品番
63-5407-43
販売価格(税込)
567円
出荷予定日
通常99営業日 メーカーの事情により発送日が遅れる場合がございます。
詳細を見る
数量:
はんだこて 200W相当 出荷前点検検査書付

太洋電機産業(goot)

はんだこて 200W相当 出荷前点検検査書付

●金属製品のはんだ付けに適したハイパワータイプ! ●高効率低消費電力で経済的な省エネタイプ ●断熱効果の高い木製グリップを使用 ●こて先は作業に合わせて加工できる銅こて先を標準装備 ●ニクロムヒーター型 ●RoHS対応品
●消費電力:160W ●こて先温度:540℃ ●サイズ:370mm ●重量:610g
品番
63-5407-40-22
販売価格(税込)
24,551円
出荷予定日
通常10営業日 メーカーの事情により発送日が遅れる場合がございます。
詳細を見る
数量:
はんだこて 200W相当

太洋電機産業(goot)

はんだこて 200W相当

●金属製品のはんだ付けに最適なハイパワータイプ! ●高効率低消費電力で経済的な省エネタイプ ●断熱効果の高い木製グリップを使用 ●こて先は作業に合わせて加工できる銅こて先を標準装備 ●ニクロムヒーター型 ●RoHS対応品
●消費電力:160W ●こて先温度:540℃ ●サイズ:370mm ●重量:610g
品番
63-5407-40
販売価格(税込)
9,371円
出荷予定日
通常99営業日 メーカーの事情により発送日が遅れる場合がございます。
詳細を見る
数量:
2段切替式はんだこて 出荷前点検検査書付

太洋電機産業(goot)

2段切替式はんだこて 出荷前点検検査書付

●2段切替式はんだこて ●手軽に使えるホビー用 ●小型軽量で作業しやすいホビー用はんだ ●鉄メッキの長寿命こて先 ブラックチップ ●ニクロムヒーター型 ●RoHS対応品
●消費電力:トリガーON時/60W、平常時/30W ●こて先温度:トリガーON時/470℃、平常時/450℃ ●サイズ:175mm ●重量:160g
品番
63-5407-38-22
販売価格(税込)
18,779円
出荷予定日
通常13営業日 メーカーの事情により発送日が遅れる場合がございます。
詳細を見る
数量:
2段切替式はんだこて

太洋電機産業(goot)

2段切替式はんだこて

●2段切替式はんだこて ●手軽に使えるホビー用 ●小型軽量で作業しやすいホビー用はんだ ●鉄メッキの長寿命こて先 ブラックチップ ●ニクロムヒーター型 ●RoHS対応品
●消費電力:トリガーON時/60W、平常時/30W ●こて先温度:トリガーON時/470℃、平常時/450℃ ●サイズ:175mm ●重量:160g
品番
63-5407-38
販売価格(税込)
2,774円
出荷予定日
通常7営業日 メーカーの事情により発送日が遅れる場合がございます。
詳細を見る
数量:
替こて先 φ6-7 BC型

太洋電機産業(goot)

替こて先 φ6-7 BC型

●レッドチップは長寿命タイプのgood純正交換用こて先 ●銅差材に鉄メッキを施し、更にアルミ容射を行い、銅こて先の10倍から27倍 ●先端は精密加工を施し正確な作業ができます
●高さ:165mm×幅:50mm×奥行:8mm
品番
63-5407-37
販売価格(税込)
728円
出荷予定日
通常99営業日 メーカーの事情により発送日が遅れる場合がございます。
詳細を見る
数量:
替こて先 ヘラ型

太洋電機産業(goot)

替こて先 ヘラ型

●HS-40用替こて先
●高さ:165mm×幅:50mm×奥行:0.4mm
品番
63-5407-36
販売価格(税込)
263円
出荷予定日
通常99営業日 メーカーの事情により発送日が遅れる場合がございます。
詳細を見る
数量:
リストストラップ 静電気対策 アース線1.7m

太洋電機産業(goot)

リストストラップ 静電気対策 アース線1.7m

●人体へ帯電した静電気を除去し、半導体へのダメージを軽減します。バンドの長さを調節できます。
●内容:リストストラップ・コード長:1.7m・バンド幅:20mm・コード被覆材質:ポリウレタン・使用抵抗値:1MΩ
品番
63-3193-67
販売価格(税込)
2,125円
出荷予定日
通常99営業日 メーカーの事情により発送日が遅れる場合がございます。
詳細を見る
数量:
低発塵性手袋 指先コーティング Lサイズ

太洋電機産業(goot)

低発塵性手袋 指先コーティング Lサイズ

●手袋からの埃り発生が少ないウーリーナイロン採用。縫い目のない編み方で、伸縮性に優れ、手にフィットし、指先を使う細かい作業に適しています。指先のみにポリウレタン樹脂をコーティングしていますので通気性に優れています。家庭で洗濯できます
●サイズ:L ●コーティング部分:指先 ●コーティング材:ポリウレタン樹脂
品番
63-3193-63
販売価格(税込)
1,032円
出荷予定日
通常99営業日 メーカーの事情により発送日が遅れる場合がございます。
詳細を見る
数量:
低発塵性手袋 指先コーティング Sサイズ

太洋電機産業(goot)

低発塵性手袋 指先コーティング Sサイズ

●手袋からの埃り発生が少ないウーリーナイロン採用。縫い目のない編み方で、伸縮性に優れ、手にフィットし、指先を使う細かい作業に適しています。指先のみにポリウレタン樹脂をコーティングしていますので通気性に優れています。家庭で洗濯できます
●サイズ:S ●コーティング部分:指先 ●コーティング材:ポリウレタン樹脂
品番
63-3193-61
販売価格(税込)
1,032円
出荷予定日
通常99営業日 メーカーの事情により発送日が遅れる場合がございます。
詳細を見る
数量:
メンテナンス用工具 キャリングバッグのみ

太洋電機産業(goot)

メンテナンス用工具 キャリングバッグのみ

品番
63-3193-58
販売価格(税込)
3,016円
出荷予定日
通常99営業日 メーカーの事情により発送日が遅れる場合がございます。
詳細を見る
数量:
替こて先 1D型 GP-510対応

太洋電機産業(goot)

替こて先 1D型 GP-510対応

●適合機種:GP-510 ●こて先タイプ:- ●こて先径:φ1
品番
63-3193-48
販売価格(税込)
2,217円
出荷予定日
通常5営業日 メーカーの事情により発送日が遅れる場合がございます。
詳細を見る
数量:
替こて先 C型 レッドチップ Φ6mm KS-60R/SR-60用

太洋電機産業(goot)

替こて先 C型 レッドチップ Φ6mm KS-60R/SR-60用

●適合機種:KS-60R・SR-60 ●こて先タイプ:C型 ●こて先径:φ6
品番
63-3193-44
販売価格(税込)
617円
出荷予定日
通常99営業日 メーカーの事情により発送日が遅れる場合がございます。
詳細を見る
数量:
替こて先 D型 レッドチップ Φ4mm

太洋電機産業(goot)

替こて先 D型 レッドチップ Φ4mm

●適合機種:CA-30・40R・SR-20~40・KS-20~40R・KYP-70 ●こて先タイプ:D型 ●こて先径:φ4
品番
63-3193-41
販売価格(税込)
496円
出荷予定日
通常5営業日 メーカーの事情により発送日が遅れる場合がございます。
詳細を見る
数量:
替こて先 SB型 MI-6-6V/12V用

太洋電機産業(goot)

替こて先 SB型 MI-6-6V/12V用

●適合機種:MI-6 ●こて先タイプ:SB型 ●こて先径:φ0.25
品番
63-3193-39
販売価格(税込)
425円
出荷予定日
通常99営業日 メーカーの事情により発送日が遅れる場合がございます。
詳細を見る
数量:
替セラミックヒーター70W PX-2シリーズ用

太洋電機産業(goot)

替セラミックヒーター70W PX-2シリーズ用

●適合機種:PX-201・232・238・242・401 ●消費電力:70W
品番
63-3193-36
販売価格(税込)
2,156円
出荷予定日
通常5営業日 メーカーの事情により発送日が遅れる場合がございます。
詳細を見る
数量:
精密プライヤー

太洋電機産業(goot)

精密プライヤー

●先端部内面:ギザ有り ●全長:(mm)160 ●ピンセット並みの高精度を持つ精密プライヤーです。
品番
63-3193-25
販売価格(税込)
3,441円
出荷予定日
16時までの注文で当日発送
(休業日は翌営業日発送)
通常3営業日 メーカーの事情により発送日が遅れる場合がございます。
詳細を見る
数量:
低ボルトはんだごて 12V 6W

太洋電機産業(goot)

低ボルトはんだごて 12V 6W

●消費電力:6W ●こて先径:2.4mmφ ●ヒーター方式:-
品番
63-3193-20
販売価格(税込)
2,752円
出荷予定日
通常99営業日 メーカーの事情により発送日が遅れる場合がございます。
詳細を見る
数量:
低ボルトはんだごて MI-6-6V用

太洋電機産業(goot)

低ボルトはんだごて MI-6-6V用

●消費電力:6W ●こて先径:2.4mmφ ●ヒーター方式:-
品番
63-3193-19
販売価格(税込)
2,752円
出荷予定日
通常99営業日 メーカーの事情により発送日が遅れる場合がございます。
詳細を見る
数量:
替こて先 ホットナイフ HOT-30R用

太洋電機産業(goot)

替こて先 ホットナイフ HOT-30R用

●ホットナイフHOT-30R用の交換用こて先です。 ●適合機種:HOT-30R
品番
63-3005-16
販売価格(税込)
739円
出荷予定日
通常99営業日 メーカーの事情により発送日が遅れる場合がございます。
詳細を見る
数量:
ヒートクリップ ストレート

太洋電機産業(goot)

ヒートクリップ ストレート

●全長:(mm)70 ●先端形状:ストレート ●重量;(g)4.5 ●はんだこての熱から部品を守ります。狭いところにはL型が便利です。
品番
63-3005-15
販売価格(税込)
201円
出荷予定日
通常5営業日 メーカーの事情により発送日が遅れる場合がございます。
詳細を見る
数量:
ヒートクリップ L型

太洋電機産業(goot)

ヒートクリップ L型

●はんだづけの際、トランジスタ等、熱に弱い部品のリードに挟むことで熱を逃がして保護します。 ●全長:(mm)68 ●先端形状:L型 ●重量;(g)4.5 ●はんだこての熱から部品を守ります。
品番
63-3005-14
販売価格(税込)
201円
出荷予定日
通常5営業日 メーカーの事情により発送日が遅れる場合がございます。
詳細を見る
数量:
抵抗足曲キンク工具(静電対策品)

太洋電機産業(goot)

抵抗足曲キンク工具(静電対策品)

●一工程で足曲げと切断が同時に行えます。 ●加工時の部品の足の長さを調節できるアジャスター付きです。 ●抵抗など電子部品のリード線のキンク工具に。
●全長(mm):152 ●最大切断直径(mm):φ0.8 ●一工程で足曲げと切断が同時に行える ●原産国:イタリア ●コード番号:135-4729
品番
63-2416-57
販売価格(税込)
6,780円
出荷予定日
通常5営業日 メーカーの事情により発送日が遅れる場合がございます。
詳細を見る
数量:
替こて先 5C型全周

太洋電機産業(goot)

替こて先 5C型全周

●PX-201用の替こて先です。 ●PX-201用の交換こて先5C型(全周)。 ●PX-201用の替こて先5C型(全周)です。 ●RoHS対応品です。
●全長:53mm×直径7mm ●こて先径:直径5mm ●こて先タイプ:5C型(全周)
品番
62-4023-04
販売価格(税込)
754円
出荷予定日
通常99営業日 メーカーの事情により発送日が遅れる場合がございます。
詳細を見る
数量:
替こて先 3.2D型

太洋電機産業(goot)

替こて先 3.2D型

●PX-601/601AS用の替こて先です。 ●PX-601/601AS用交換こて先3.2D型。 ●PX-601/601AS用の替こて先3.2D型です。 ●RoHS対応品です。
●全長:43mm×直径6.5mm ●こて先幅:直径3.2mm ●こて先タイプ:3.2D型 ●質量:5.8g ●ヒーター分離式
品番
62-4022-94
販売価格(税込)
690円
出荷予定日
通常99営業日 メーカーの事情により発送日が遅れる場合がございます。
詳細を見る
数量:
替こて先 1.6D型

太洋電機産業(goot)

替こて先 1.6D型

●PX-601/601AS用の替こて先です。 ●PX-601/601AS用交換こて先1.6D型。 ●PX-601/601AS用の替こて先1.6D型です。 ●RoHS対応品です。
●全長:43mm×直径6.5mm ●こて先幅:直径1.6mm ●こて先タイプ:1.6D型 ●質量:5.8g ●ヒーター分離式
品番
62-4022-92
販売価格(税込)
690円
出荷予定日
通常5営業日 メーカーの事情により発送日が遅れる場合がございます。
詳細を見る
数量:
替こて先

太洋電機産業(goot)

替こて先

●はんだこてKYP-70用の替えこて先で、鉛フリー対応です。 ●KYP-70用替えこて先。 ●はんだこてKYP-70用の替えこて先で、鉛フリー対応です。 ●RoHS対応品です。 ●ブラックチップは、銅素材に鉄メッキを施し耐熱塗料を塗布しています。
●適合機種:KYP-70 ●こて先タイプ:B型 ●こて先径:直径4mm ●全長:75mm
品番
62-4022-91
販売価格(税込)
287円
出荷予定日
通常5営業日 メーカーの事情により発送日が遅れる場合がございます。
詳細を見る
数量:
半田鏝替コテ先RD-68BC

太洋電機産業(goot)

半田鏝替コテ先RD-68BC

●一般電気用はんだこてKS-100R用替こて先です。 ●KS-100R用替えこて先。 ●はんだこてKS-100R用の交換こて先で、鉛フリー対応です。 ●RoHS対応品です。
●タイプBC型・レッドチップ ●適合機種:KS-100R、SR-100 ●全長:88mm ●軸径:直径6mm ●こて先:1.5mm
品番
62-4022-90
販売価格(税込)
820円
出荷予定日
通常5営業日 メーカーの事情により発送日が遅れる場合がございます。
詳細を見る
数量:
半田鏝替コテ先

太洋電機産業(goot)

半田鏝替コテ先

●一般電気用はんだこてKS-20R用替こて先です。 ●KS-20R用替えこて先。 ●はんだこてKS-20R用の交換こて先で、鉛フリー対応です。 ●RoHS対応品です。
●タイプSB型・レッドチップ ●適合機種:CA-30/40R、KS-20~40R、KYP-70、SR-20~40 ●全長:75mm ●軸径:直径4mm ●こて先:R0.3mm
品番
62-4022-89
販売価格(税込)
295円
出荷予定日
通常5営業日 メーカーの事情により発送日が遅れる場合がございます。
詳細を見る
数量:
ホットナイフ 替刃

太洋電機産業(goot)

ホットナイフ 替刃

●交換用コテ先です。 ●ホットナイフHOT-60R用交換コテ先。 ●ホットナイフHOT-60R用、交換こて先です。
●サイズ:径6mm・全長:87mm ●こて先長:17mm ●こて先幅:6mm ●二クロムヒーター ●適応機種:HOT-60R
品番
62-4022-88
販売価格(税込)
576円
出荷予定日
通常5営業日 メーカーの事情により発送日が遅れる場合がございます。
詳細を見る
数量:
半田鏝替コテ先 T-6B

太洋電機産業(goot)

半田鏝替コテ先 T-6B

●SR-60用替こて先です。 ●SR-60用替えこて先。 ●はんだこてSR-60用の交換こて先です。 ●RoHS対応品です。
●ニッケルメッキ銅コテ先 ●軸径:4mm ●全長:85mm ●こて先長:13mm ●こて先:RO.5 ●材質1:ニッケルメッキ銅コテ先
品番
62-4022-87
販売価格(税込)
310円
出荷予定日
通常5営業日 メーカーの事情により発送日が遅れる場合がございます。
詳細を見る
数量:
半田鏝替コテ先 T-48B

太洋電機産業(goot)

半田鏝替コテ先 T-48B

●SR-20~40用替こて先です。 ●SR-20~40用替こて先。 ●SR-20~40用交換こて先です。
●ニッケルメッキ銅コテ先 ●軸径:4mm ●全長:75mm ●こて先長:10mm ●こて先:RO.5 ●材質1:ニッケルメッキ銅コテ先
品番
62-4022-86
販売価格(税込)
150円
出荷予定日
通常5営業日 メーカーの事情により発送日が遅れる場合がございます。
詳細を見る
数量:
替ヒーター 100W

太洋電機産業(goot)

替ヒーター 100W

●BN-100用替ヒーターです。 ●替ヒーター。 ●替ヒーターです。 ●RoHS対応品です。
●ヒーター:ニクロムヒーター
品番
62-4022-85
販売価格(税込)
502円
出荷予定日
通常5営業日 メーカーの事情により発送日が遅れる場合がございます。
詳細を見る
数量:
標準 価格昇順 価格降順
全ての商品 在庫あり商品
1 2 3 4 次へ>>

営業日カレンダー

2026年4月
日月火水木金土
1234
567891011
12131415161718
19202122232425
2627282930
2026年5月
日月火水木金土
12
3456789
10111213141516
17181920212223
24252627282930
31

※赤字は休業日です

フッターナビカテゴリ

  • 研究用総合機器
  • クリーン・静電気対策
  • 看護・医療・介護
  • 食品事業用衛生管理
  • 文具・オフィス用品
  • 工具・作業用品
  • 防災用品
  • 教育・教材
  • お役立ち情報
  • おすすめ特集
  • いまちゃすマガジン

お買い物ガイド

  • お買い物ガイド
  • いまちゃすの理念
  • 会社概要
  • 利用規約
  • プライバシーポリシー
  • 特定商取引法に基づく表記
  • お問い合わせ
  • メルマガ登録
いまちゃす公式Twitter @imachas
Copyright © 2018 - 2026 いまちゃす All rights reserved.
▲TOPへ戻る