• お買い物ガイド
  • いまちゃすの理念
  • お見積り方法
  • 利用規約
  • プライバシーポリシー
  • 特定商取引法に基づく表記
  • お問い合わせ

いまちゃす/商品詳細ページ

マイページ
  • ログイン
  • 会員登録
  • お買い物ガイド
  • お問い合わせ
  • マイページ
いまちゃすってなぁに? 創業100年以上の理化学屋が運営しています! 詳しくはこちら

合計数量:0

商品金額:0円

カートの中を見る
メーカー一覧
  • ログイン
  • 新規会員登録
  • Twitter
カテゴリ一覧
  • 研究用総合機器
    • 実験室用備品
    • 計測
    • 研究室設備
    • 容器・計量器
    • 分析・検査
    • 実験用素材
    • 配管材
    • 実験用小物
    • 洗浄・滅菌・清掃
    • 安全保護用品
    • 開発・試作支援
    • 防災用品
    • 書籍(洋書)
  • クリーン・静電気対策
    • クリーン対策用品
    • クリーン環境機器
    • クリーン環境設備
    • 静電気対策品
    • ウェハーキャリア・トレー
    • プラズマ装置
  • 工具・作業用品
    • 作業用品・工具
    • 生産加工用品
    • 工事用品
    • 環境安全用品
    • 物流保管用品
    • 切削工具
    • 農業関連用品
  • 看護・医療・介護
    • ウェア・シューズ・グッズ
    • 薬局・与薬
    • 感染予防・個人防護具
    • ファニチャー・収納・什器
    • 営繕
    • 病室・居室備品
    • 診察・処置用品
    • 健診・検査用品
    • 診療科目別用品
    • 運搬・搬送用品
    • 手術室・中央材料室
    • 滅菌・消毒・洗浄
    • 鋼製器具
    • 医療材料
    • 衛生材料
    • 介護用品
    • 美容・健康・癒し
  • 食品事業用衛生管理
    • シャーレ・ディッシュ
    • 食品用 微生物検査
    • はかり・タイマー・温湿度計・濃度計
    • 手袋・腕カバー
    • マスク(食品衛生用)
    • 長靴・シューズ・シューズカバー
    • ユニフォーム類
    • 洗浄・殺菌・清掃
    • 異物混入対策
    • 防虫防鼠
    • 書籍
    • 飲食店・厨房用品
  • 文具・オフィス用品
    • LABungu(ラブング)
    • ノート・紙製品
    • ファイル・ケース・クリアーホルダー
    • 筆記具・修正用品
    • 事務機器
    • 文具・事務用品
    • 店舗用品
    • OA・パソコン用品
    • カメラ用品
    • オフィス作業用品
    • オフィス生活用品
    • 家具・家電製品
    • ウエア
  • 防災用品
    • 耐震・免震
    • 飛散防止
    • 蓄光・蛍光製品
    • 防災セット
    • 保護具・ウェア
    • 救急・救助用品
    • 長期保存食
    • 防災用衛生用品
    • 備蓄トイレ用品
    • ラジオ・ライト・笛
    • 避難所用品・毛布類
    • 電源・発電機
    • 水害対策
    • 火災対策
    • 防犯用品
  • 教育・教材
    • ユニフォーム
    • 季節・行事
    • スポーツ用品
    • 雑貨
    • 学童文具
    • 運動会・発表会・イベント
    • 知育玩具
    • 図工・美術・画材
    • 理科教材・備品
10x30x10mm セパレートカラー(SUS304)
  • 10x30x10mm セパレートカラー(SUS304)
  • 10x30x10mm セパレートカラー(SUS304)

岩田製作所

10x30x10mm セパレートカラー(SUS304)

特徴
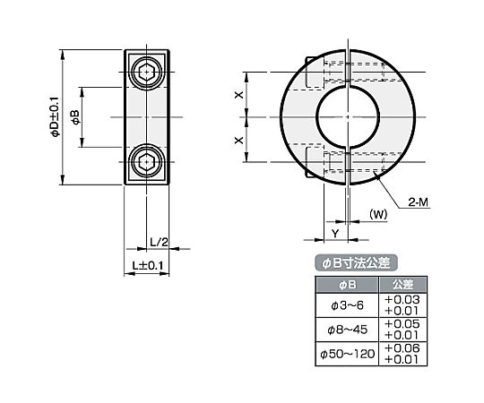
●セパレートタイプ ●簡単に脱着可能なスタンダードセパレートカラー ●面で締め付けるため締結力が強く、シャフトに傷が付きにくいタイプ ●シャフト組み付け後の取り付け、取り外しも簡単にできます。 ●RoHS対応品
仕様
●メーカー:岩田製作所 ●型番:SCSS1010S ●用途:スプロケットやギヤなどの固定 ●内径:φ10mm ●外径:φ30mm ●幅:10mm ●締付ねじ:M4×12 ●材質:ステンレス(SUS304)
商品備考
入数:
1

単位コード:

単位名称:
個
品番
78-0979-79
メーカー型番
EA966CE-24
出荷予定日
通常5営業日
JANコード
4548745514131
販売価格(税込)
2,155円
数量:
カゴに入れる
  • 返品・交換について
  • お支払いについて
お問い合わせ

ピックアップ商品

  • 2-8524-21 ATPふき取り検査システム Smart

    キッコーマン ルミテスターSmart(ATP拭き取り検査システム)

    品 番:2-8524-21

    入り数:1台

    88,501円(税込)

    • 食品製造、工場・店舗監査などあらゆる現場の衛生管理に適しています。
    • 清浄度管理・衛生教育に適しており、わずか10秒で測定結果がわかります。
    商品ページはこちら
  • 2-8524-12 ルシパックA3 Surface 100本

    キッコーマンバイオケミファ ルシパックA3 Surface 100本

    品 番:2-8524-12

    入り数:100本入(20本/袋×5袋入)

    22,118円(税込)

    • ATP+ADP+AMPを測定するため、より高感度な測定が可能
    • ルミテスターPD-20・30・Smart専用
    商品ページはこちら
  • メルク 反射式環境定量分析システム RQフレックス20 17246-1M

    メルク 反射式環境定量分析システム RQフレックス20 17246-1M

    品 番:17246-1M

    入り数:1台

    157,960円(税込)

    • 迅速な分析ができるためコスト・時間を節約できます。
    • 一度に50項目までの測定方法を記憶可能です。
    商品ページはこちら
  • コニカミノルタ 葉緑素計 SPAD-502Plus

    コニカミノルタ 葉緑素計 SPAD-502Plus

    品 番:spad-502plus

    入り数:1台

    140,800円(税込)

    • 測定したい葉(試料)を測定ヘッドに挟んで、閉じるだけで測定できます。
    • 測定データの時系列変化や、異常値の判断をひと目で確認する事ができます。
    商品ページはこちら
  • 土壌水分計 pFメーター DM-8 一般用 テンションメーター 竹村電機製作所

    土壌水分計 pFメーター DM-8 一般用 テンションメーター 竹村電機製作所

    品 番:DM-8

    入り数:1個

    12,600円(税込)

    • 作物・野菜の成長に重要な水分量を測り、野菜の健康状態を良好に保ち元気な野菜づくりに!
    • DM-8は0〜2.6pFまで測定できます。
    商品ページはこちら

おすすめ特集おすすめの研究アイテムや、厳選した実験機材などを様々な観点からご紹介します。

  • 花粉対策特集

    〜花粉シーズンをのりきるために〜
    おすすめアイテムのご紹介

  • 大雪対策特集

    快適な冬を過ごすために大雪&寒さ対策!
    おすすめアイテムをピックアップしました!

  • 乾燥対策特集

    乾燥する季節にうるおいを!
    人気アイテムのご紹介

  • 熱中症対策特集

    深刻な暑さが問題となっている昨今。
    おすすめアイテムをセレクトしました。

  • 空調服特集

    夏の現場作業に欠かせない!
    身体への負担を軽減するファン付き作業服「空調服」のご紹介

  • インフルエンザ対策特集

    感染症予防の原則は、ウイルスとの接触を減らし、ウイルスを体内に入れないことです。ウイルスは主に飛沫感染、接触感染するため、次のことを実践しましょう。

  • 大雨による水害対策特集

    近年多発する水害に備えておきたい製品をセレクトしました。

  • 空調服(ファン付き作業服)特集

    暑くても長袖の作業服が必須の現場に最適!身体への負担を軽減するおすすめ空調服(ファン付き作業服)のご紹介

  • エコライン寸胴鍋 特集

    ガス代を節約、料理時間を短縮。エコライン寸胴鍋は、熱伝導効率大幅アップで省エネ! スープの煮出しなど長時間加熱を続ける場合に最適です。

  • アズワン ペーパータオル特集

    いまちゃすでは数あるメーカーの中でもアズワン社のペーパータオルをお安くご提供できますのでご紹介させて頂きます。いまちゃすプライム商品として特価で販売しております!

  • 介護用品特集

    衛生用品、介護食、歩行補助用品など… 介護に役立つアイテムのご紹介

  • 花粉対策特集

    〜花粉の季節を快適に〜
    おすすめアイテムのご紹介

  • 防寒対策特集

    防寒服や加湿器…凍結防止剤など いろいろな暖房・防寒グッズをセレクトしました!

  • 静電気対策(研究用)特集

    主に精密機器を扱う方や研究室などへ 静電気対策グッズをご紹介いたします

  • 清掃業者向け ルミテスター&ルシパックの活用法

    ルミテスター&ルシパックで実際にATPふき取り検査(A3法)を使用されている企業様の導入目的とその効果、測定例や活用事例をご紹介

  • アウトドア特集

    行楽シーズン到来! キャンプ用品やあったら便利なアイテムを集めました!

お役立ち情報理系の方必見!ためになる情報や、理化学・研究用アイテムの意外な使用方法、生活に役立つアイデアまでユニークなコンテンツが満載です。

  • 花粉をしっかり防ぐマスクとは? 素材・形状別に徹底比較

    2026年 2月27日

  • サーモグラフィとは? 赤外線で温度を“見える化”する仕組みと活用例

    2026年 2月13日

  • 賃貸でもできる!壁を傷つけない地震対策|家具転倒防止・生活安全ガイド

    2026年 1月30日

  • 【2026年最新版】喉の痛みの原因・症状・効果的な喉ケア(乾燥・風邪予防対策)

    2026年 1月27日

  • 冬の道に撒かれている白い粒は何?

    2025年 12月25日

  • 屋根の雪かきのコツは?

    2025年 12月16日

もっと見る

いまちゃすマガジン研究室でホッと一息。理系にスポットを当てた旬な話題を提供します。

  • 犬の嗅覚はどのくらい優れているの? 犬種による違いはあるの?

    2022年 3月11日

  • 洪水に襲われたらどうしたらいい? 全てをのみ込む水害から身を守る方法とは?

    2022年 2月3日

  • 私たちの周りにある実験室や実験器具の原型は、昔の人の探求心から生み出されてきた

    2021年 12月13日

  • 真面目にキムワイプ卓球の普及に取り組む、国際キムワイプ卓球協会

    2021年 11月16日

  • 小6が農薬を使わずにジャンボタニシを撃退できる装置を発明

    2021年 8月30日

  • 理化学屋がオススメする自然派コスメ

    2021年 6月7日

もっと見る

カテゴリ一覧

  • 研究用総合機器

  • クリーン・静電気対策

  • 工具・作業用品

  • 看護・医療・介護

  • 食品事業用衛生管理

  • 文具・オフィス用品

  • 防災用品

  • 教育・教材

営業日カレンダー

2026年3月
日月火水木金土
1234567
891011121314
15161718192021
22232425262728
293031
2026年4月
日月火水木金土
1234
567891011
12131415161718
19202122232425
2627282930

※赤字は休業日です

フッターナビカテゴリ

  • 研究用総合機器
  • クリーン・静電気対策
  • 看護・医療・介護
  • 食品事業用衛生管理
  • 文具・オフィス用品
  • 工具・作業用品
  • 防災用品
  • 教育・教材
  • お役立ち情報
  • おすすめ特集
  • いまちゃすマガジン

お買い物ガイド

  • お買い物ガイド
  • いまちゃすの理念
  • 会社概要
  • 利用規約
  • プライバシーポリシー
  • 特定商取引法に基づく表記
  • お問い合わせ
  • メルマガ登録
いまちゃす公式Twitter @imachas
Copyright © 2018 - 2026 いまちゃす All rights reserved.
▲TOPへ戻る